EasyManua.ls Logo

artisan 8640B - Counter RF Scaler Schematic Diagram; P;O A8 A3 Time Base Assembly Component Locations

artisan 8640B
411 pages
Print Icon
To Next Page IconTo Next Page
To Next Page IconTo Next Page
To Previous Page IconTo Previous Page
To Previous Page IconTo Previous Page
Loading...
Model 8640B TM 9-4935-601-14-7&P
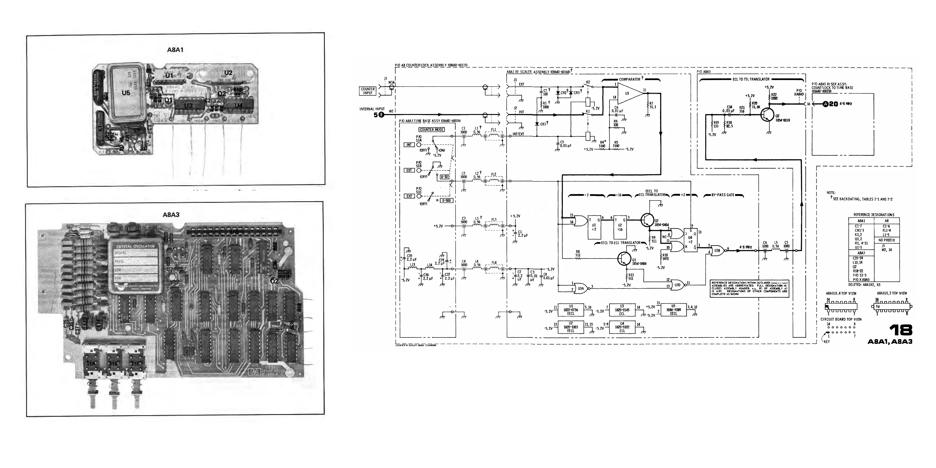
Figure 8-55. A8A1 RF Scaler Assembly Component Locations
Figure 8-56. P/O A8A3 Time Base Assembly Component Locations
Figure 8-57. Counter RF Scaler Schematic Diagram
8-55
Artisan Technology Group - Quality Instrumentation ... Guaranteed | (888) 88-SOURCE | www.artisantg.com

Table of Contents