EasyManua.ls Logo

artisan 8640B - Page 367

artisan 8640B
411 pages
Print Icon
To Next Page IconTo Next Page
To Next Page IconTo Next Page
To Previous Page IconTo Previous Page
To Previous Page IconTo Previous Page
Loading...
MODEL 8640B TM 9-4935-601-14-7&P
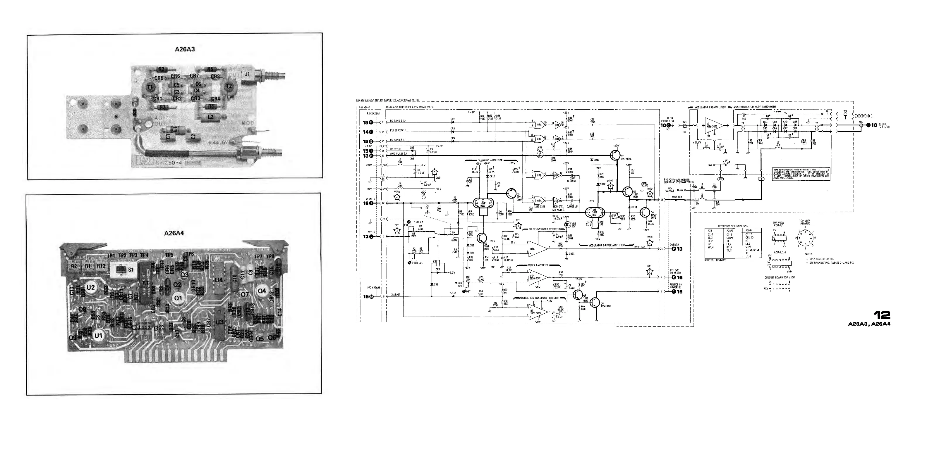
Figure 8-40. A26A3 Modulator Assembly Component Locations.
Figure 8-41. A26A4 AGC Amplifier Assembly Component Locations.
Figure 8-42. AGC Amplifiers and Amplitude Modulator Schematic Diagram.
8-43
Artisan Technology Group - Quality Instrumentation ... Guaranteed | (888) 88-SOURCE | www.artisantg.com

Table of Contents