EasyManua.ls Logo

artisan 8640B - Page 389

artisan 8640B
411 pages
Print Icon
To Next Page IconTo Next Page
To Next Page IconTo Next Page
To Previous Page IconTo Previous Page
To Previous Page IconTo Previous Page
Loading...
Model 8640B TM 9-4935-601-14-7&P
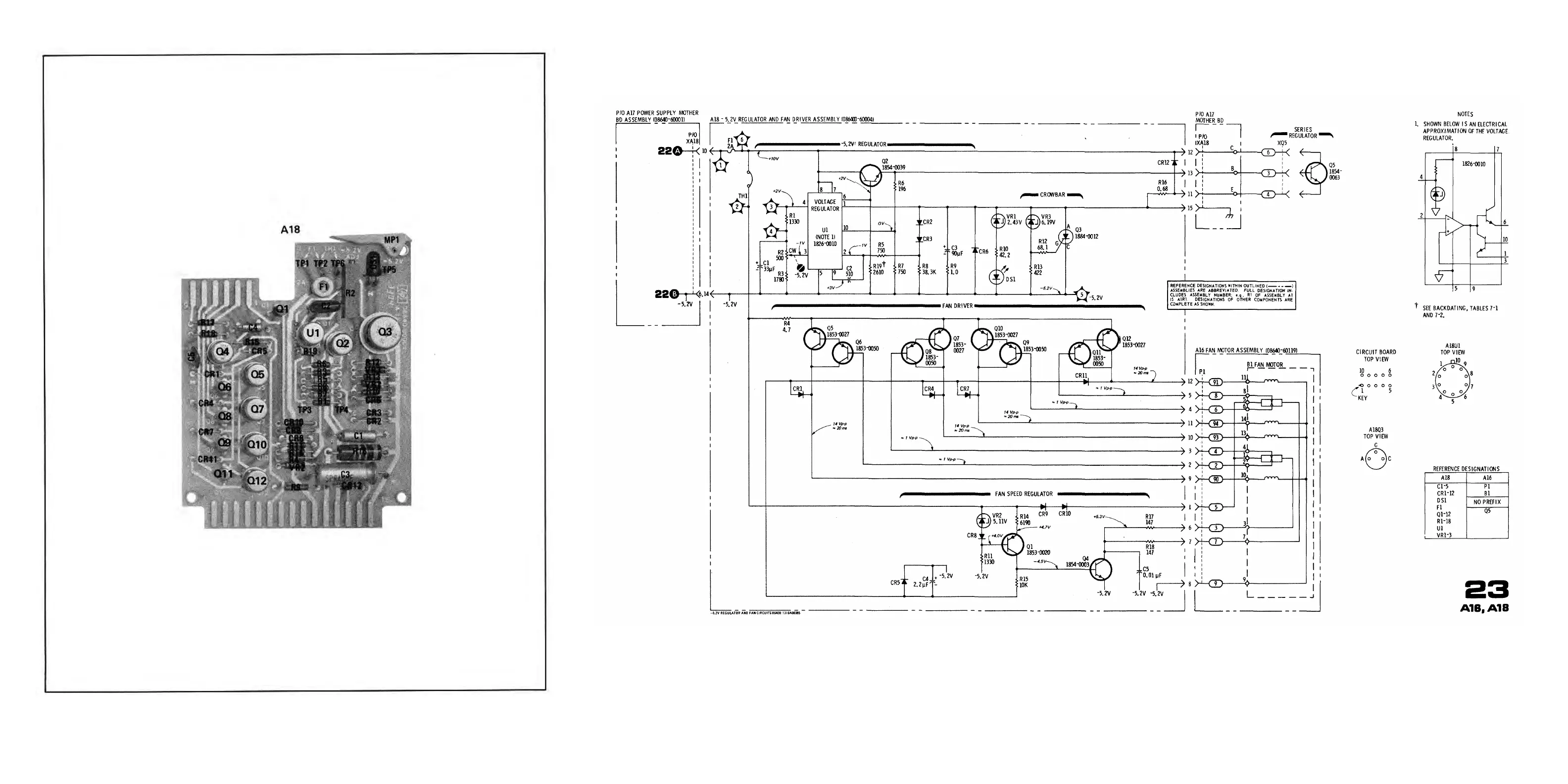
Figure 8-70. A18-5.2V Regulator and Fan Driver Assembly Component Locations
Figure 8-71. -5.2V Regulator and Fan Circuits Schematic Diagram
8-65/(8-66 blank)
Artisan Technology Group - Quality Instrumentation ... Guaranteed | (888) 88-SOURCE | www.artisantg.com

Table of Contents