EasyManua.ls Logo

Bailey Infi 90 - IEPEP03 Power Entry Panel and Power Mounting Unit Wiring Diagram

Bailey Infi 90
100 pages
Print Icon
To Next Page IconTo Next Page
To Next Page IconTo Next Page
To Previous Page IconTo Previous Page
To Previous Page IconTo Previous Page
Loading...
WIRING DIAGRAMS
INTRODUCTION
I-E96-506B1 C - 3
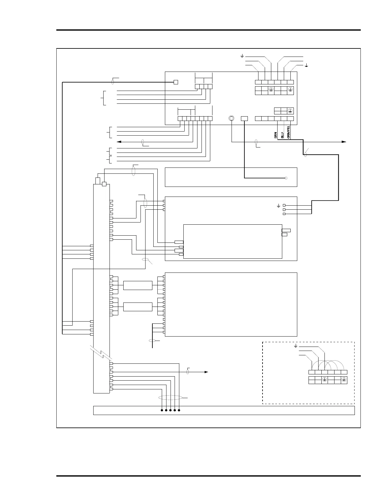
Figure C-2. IEPEP03 Power Entry Panel and Power Mounting Unit Wiring Diagram
AUX BUS
MONITOR
45678
1COM2
IN
STATUS
ALARMS
PWR
SYS
+- +-
BUS
VOLT
FAN
OUT
GND
(+)
(-)
(+)
(-)
CH2
CH1
CUSTOMER AUX BUS
MONITOR INPUTS
24/48/125 VDC
1
COM
2
(+)
(-)
(+)
CABLE P/N
6634205-1
SAFETY GND.
CONN. TO CAB.
FAN ASSEMBLY
IEFAN01/02 ROW 1
J2
NO. 10 AWG
ISOLATED SYSTEM COMMON BUS
+24 V
I/O COM
MCOM
WHT/ORN
GRAY
GRAY
GRAY
GRAY
CUSTOMER +24V OUTPUT
NO. 14 AWG
J1TB3
NODE STATUS TO BIM/PTM
USER ALARM OUTPUT
POWER SYSTEM STATUS
USER ALARM OUTPUT
BUS VOLTAGE STATUS
STATUS
INPUTS
CABLE P/N
6637813C1
(SUPPLIED WITH PEP)
TP25160B
SYSTEM POWER
BUS BAR
L(L1)
N (L2)
AUX. POWER INPUT
120/240 VAC 50/60 Hz
(SEE VIEW A)
POWER ENTRY PANEL
IEPEP03 ROW 0
L(L1)
N(L2)
TB1
120 VAC
240 VAC
LN
L1 L2
CABLE P/N
6637814-2
(-)
MCOM
+15 V
-15 V
+5 V
STATUS
I/O COM
+24 V
+5 V
MCOM
+15 V
-15 V
PFI
STATUS
I/O COM
+24 V
+5 V
MCOM
+15 V
-15 V
WHT
CABLE P/N
1948509-5
MCOM
+15 V
-15 V
+5 V
PFI
STATUS
I/O COM
+24 V
MBUS
MBUS
MCOM
+5 V
MCOM
+15 V
-15 V
PFI
STATUS
I/O COM
+24 V
ORN
YEL
WHT
WHT/BLU
WHT/ORN
NO. 18 AWG (3-WIRE TWISTED)
YEL
PFI
STATUS
I/O COM
+24 V
GRN/YEL
ORN
BLK
ORN
POWER MOUNTING UNIT
PMU ROW 2
BLU
BRN
N (L2)
L(L1)
NO. 10 AWG
6632285A45
(BRAIDED WIRE)
MODULE MOUNTING UNIT
IEMMU01/02 ROW 3
DC IN/COM
24V/48V IN
TO NEXT MMU
NO. 10 AWG (USE ADDITIONAL CONNECTORS IF
GREATER THAN 10 AMPS)
120 VAC
240 VAC
TB2
LN
L1 L2
LN
L1 L2
TB1
120 VAC
240 VAC
L(L1)
N (L2)
FOR SYSTEMS WITH SINGLE LINE POWER ENTRY
VIEW A
MAIN POWER
INPUT
120/240 VAC
50/60 Hz
MAIN POWER INPUT
120/240 VAC 50/60 Hz
STATUS
AC OUT
NO. 10 AWG GRN/YEL
CABLE P/N
1948509-5
TB4
123456
123456
123456
CH1 CH2
+-
1
23
4
+-
12
3
LN
L1 L2
LN
L1 L2
RED
Artisan Technology Group - Quality Instrumentation ... Guaranteed | (888) 88-SOURCE | www.artisantg.com

Table of Contents

Related product manuals