EasyManua.ls Logo

Bailey Infi 90 - Wiring Diagram of IEPEP03 Power Entry Panel and Power Mounting Unit

Bailey Infi 90
100 pages
Print Icon
To Next Page IconTo Next Page
To Next Page IconTo Next Page
To Previous Page IconTo Previous Page
To Previous Page IconTo Previous Page
Loading...
RETROFITTING THE MODULAR POWER SYSTEM
NETWORK 90 POWER SYSTEM REMOVAL
I-E96-506B1 D - 7
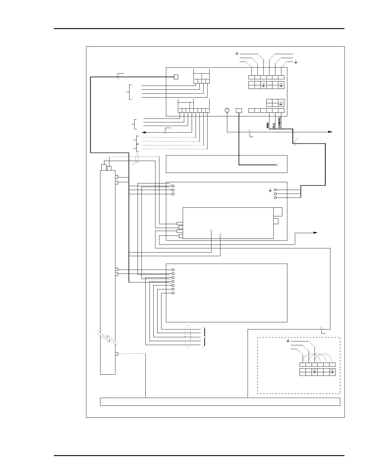
Figure D-1. Wiring Diagram of IEPEP03 Power Entry Panel and Power Mounting Unit,
Network 90 Cabinet
1234
AUX BUS
MONITOR
12345678
1COM2
IN
STATUS
ALARMS
PWR
SYS
BUS
VOLT
FAN
OUT
GND
(+)
(-)
(+)
(-)
CH2
CH1
CUSTOMER AUX BUS
MONITOR INPUTS
24/48/125 VDC
1
COM
2
CABLE P/N
6634205-1
(+)
(-)
(+)
SAFETY GND.
CONN. TO CAB.
FAN ASSEMBLY
IEFAN01/02 ROW 1
J2
ISOLATED SYSTEM COMMON BUS
J1
TB3
NODE STATUS TO BIM/PTM
USER ALARM OUTPUT
POWER SYSTEM STATUS
USER ALARM OUTPUT
BUS VOLTAGE STATUS
STATUS
INPUTS
CABLE P/N
6637813C1
TP25397B
NETWORK 90
SYSTEM POWER
BUS BAR
L(L1)
N(L2)
AUX. POWER INPUT
120/240 VAC 50/60 Hz
(SEE VIEW A)
POWER ENTRY PANEL
IEPEP03 ROW 0
L(L1)
N(L2)
TB1
120 VAC
240 VAC
CABLE P/N
6637814-2
(-)
MCOM
+15 V
-15 V
+5 V
STATUS
I/O COM
+24 V
+5 V
GRN/YEL
POWER MOUNTING UNIT
IEPMU01/02 ROW 2
BLU
BRN
N (L2)
L (L1)
6632285A45
(BRAIDED WIRE)
DC IN/COM
24V/48V IN
120 VAC
240 VAC
TB2
LN
L1 L2
LN
L1 L2
TB1
120 VAC
240 VAC
L (L1)
N (L2)
FOR SYSTEMS WITH SINGLE LINE POWER ENTRY
VIEW A
MAIN POWER
INPUT
120/240 VAC
50/60 Hz
123456
MAIN POWER INPUT
120/240 VAC 50/60 Hz
AC OUT
NO. 10 AWG GRN/YEL
TB4
123456
MODULE MOUNTING UNIT
NMMU01, NMMU02 ROW 3
CUSTOMER 24 VDC OUTPUT
NO. 12 AWG
GND
RED
WHT
WHT/BLU
WHT/GRN
+5 V
GND
+15 V
-15 V
PFI
MOD BUS
MOD BUS COM
GND
+5 V
TO NEXT NMMU
NO. 14 AWG
YEL
GND
I/O COM
NO. 6 AWG
123456
L
L1
L
L1
L
L1
+-+-
CH1 CH2
+- + -
N
N
N
L2
L2
L2
Artisan Technology Group - Quality Instrumentation ... Guaranteed | (888) 88-SOURCE | www.artisantg.com

Table of Contents

Related product manuals