EasyManua.ls Logo

Boss RC-50 - Making Connections and Initial Setup

Boss RC-50
108 pages
Print Icon
To Next Page IconTo Next Page
To Next Page IconTo Next Page
To Previous Page IconTo Previous Page
To Previous Page IconTo Previous Page
Loading...
16
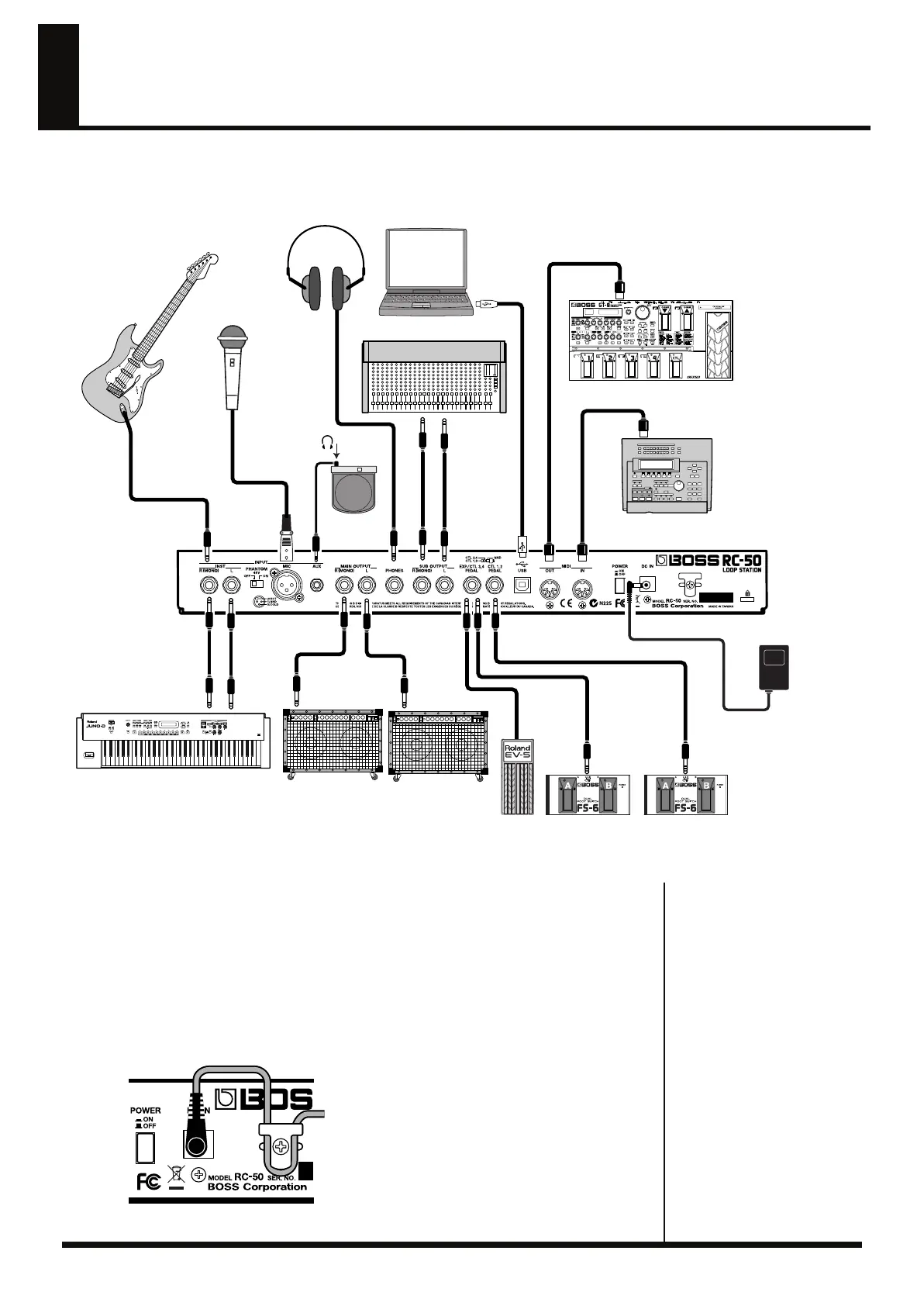
Making the Connections
fig.01-010
* To prevent malfunction and/or damage to speakers or other devices, always turn down the
volume, and turn off the power on all devices before making any connections.
* Raise the amp volume only after turning on the power to all connected devices.
* Use only the specified EXP pedal (Roland EV-5; sold separately). By connecting any other
EXP pedals, you risk causing malfunction and/or damage to the unit.
To prevent the inadvertent disruption of power to your unit (should the plug be
pulled out accidentally), and to avoid applying undue stress to the AC adaptor
jack, anchor the power cord using the cord hook, as shown in the illustration.
fig.01-011
Guitar Amp
Stereo
Headphones
Computer
Mixer
Guitar
Expression Pedal
(Roland EV-5, etc.)
Foot Switch
(FS-6, etc.)
Phones
Jack
CD/MD
Player
Effector
Sequencer
Keyboard
Mic
AC Adaptor
(BOSS PSA-S series,
Roland ACI or ACB series)
RC-50_e.book 16 ページ 2009年4月10日 金曜日 午後1時17分

Table of Contents

Other manuals for Boss RC-50

Related product manuals