EasyManua.ls Logo

Camus Hydronics DynaMax DMH081 - PART 14 EXPLODED VIEW & PARTS LIST (Continued); DynaMax Floor Mount Exploded View; DynaMax Floor Mount Parts List

Camus Hydronics DynaMax DMH081
93 pages
Print Icon
To Next Page IconTo Next Page
To Next Page IconTo Next Page
To Previous Page IconTo Previous Page
To Previous Page IconTo Previous Page
Loading...
70
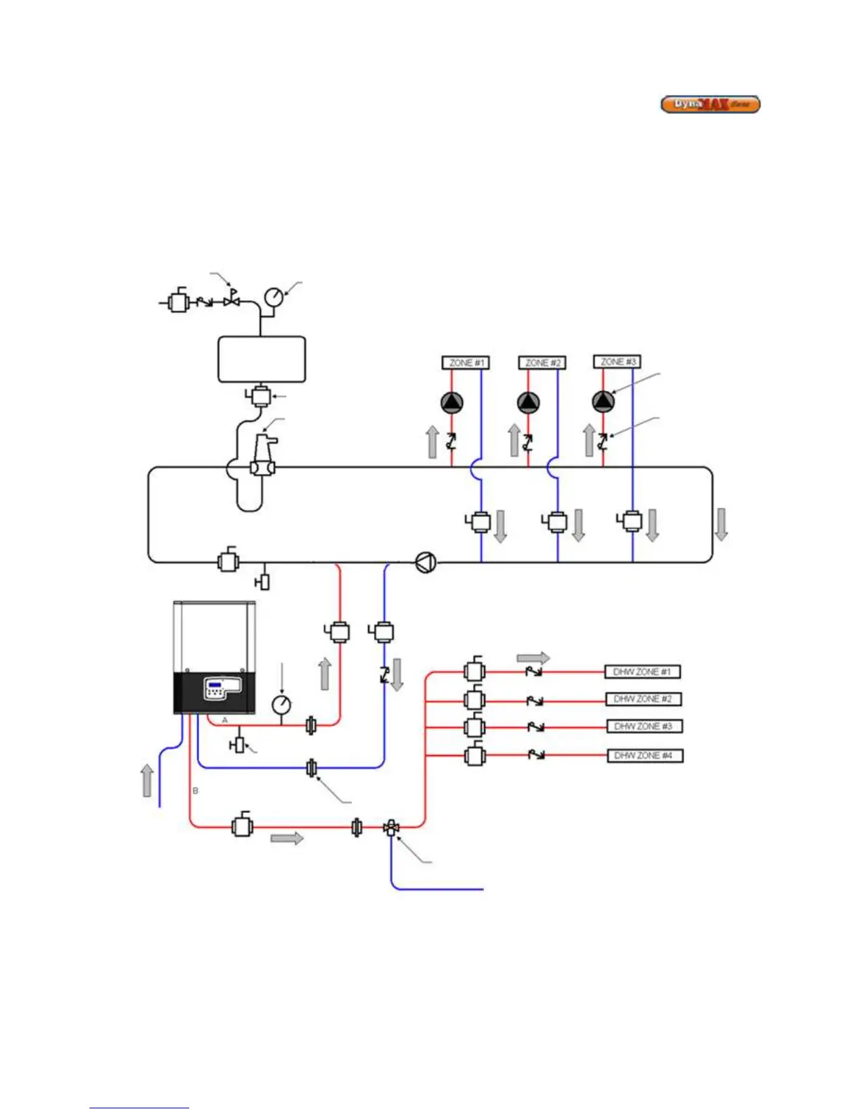
Figure 70: Single Combination Boiler Zoned Piping Arrangement
Central Heating Mode: 0, 1, 2, or 3
DHW Mode: 4
Boiler Address: Boiler Address = 100
Pressure Reducing
Valve
Pressure Gauge
Ball Valve
Air
Separator
Expansion
Tank
Zone
Circulator
Flow Check
Valve
DynaMax Boiler
Temperature
/ Pressure
Gauge
Drain
Union
Anti
-
scald Mixing Valve
Note:
1) Size main header to minimize induced flow
through zones
2) Separate boiler loop as shown is recommended
for system piping greater than 50 equivalent
feet.

Table of Contents

Related product manuals