EasyManua.ls Logo

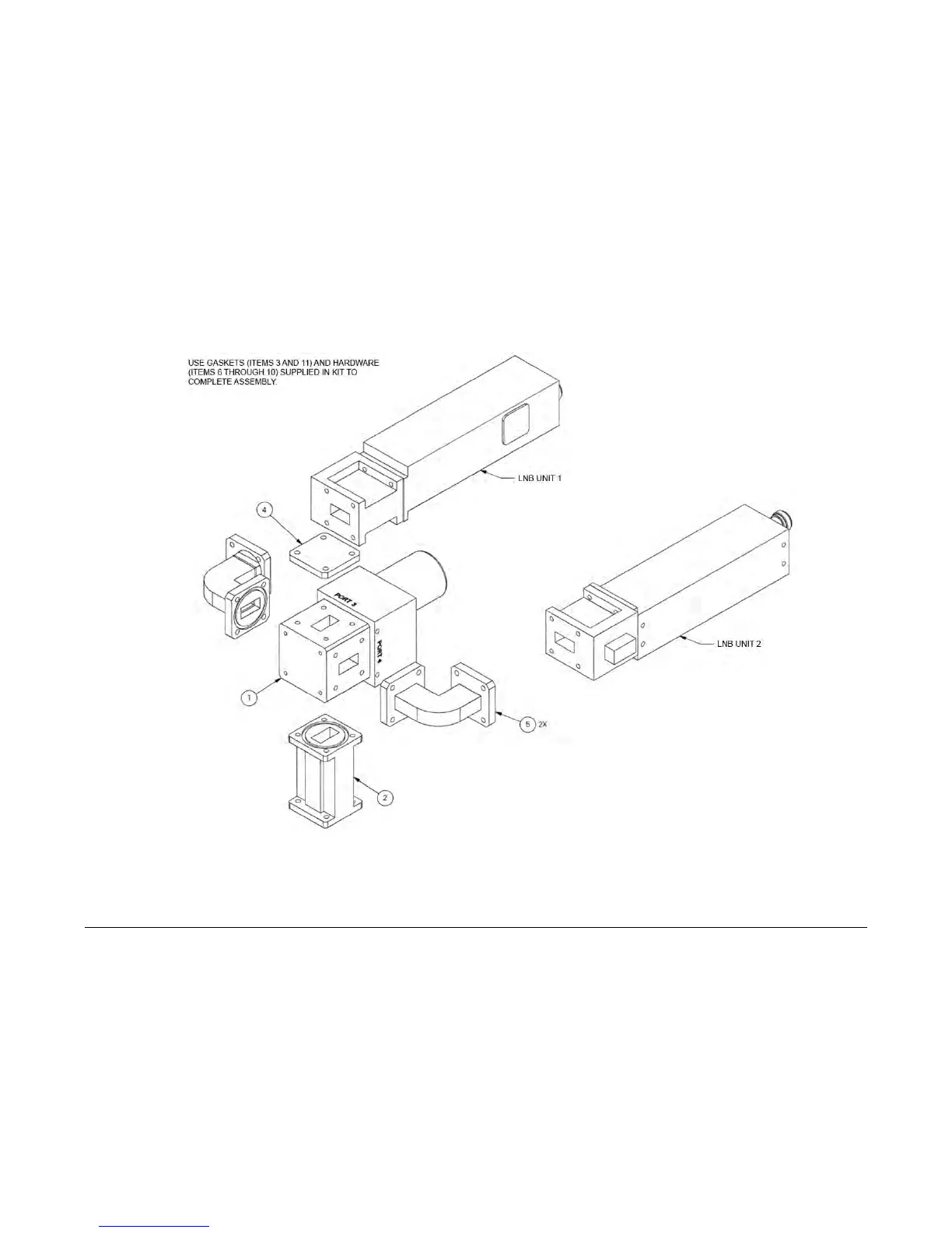
Comtech EF Data LPOD - Figure A-8. PL;7596-1 LPOD Ku-Band Rx Switch Kit (Exploded View)

Comtech EF Data LPOD
224 pages
Print Icon
To Next Page IconTo Next Page
To Next Page IconTo Next Page
To Previous Page IconTo Previous Page
To Previous Page IconTo Previous Page
Loading...
LPOD Outdoor Amplifier / Block Up Converter (BUC) Revision 9
Appendix A MN-LPOD
A–19
Figure A-8. PL/7596-1 LPOD Ku-Band Rx Switch Kit (Exploded View)

Table of Contents

Other manuals for Comtech EF Data LPOD

Related product manuals