EasyManua.ls Logo

Comtech EF Data LPOD - Redundant Loop Cable - Rx; Tx; B.2.5 Redundant Loop Cable - Rx; Tx; Figure B-5. Redundant Loop Cable - Rx; Tx (CEFD P;N CA-0020657)

Comtech EF Data LPOD
224 pages
Print Icon
To Next Page IconTo Next Page
To Next Page IconTo Next Page
To Previous Page IconTo Previous Page
To Previous Page IconTo Previous Page
Loading...
LPOD Outdoor Amplifier / Block Up Converter (BUC) Revision 9
Appendix B MN-LPOD
B-6
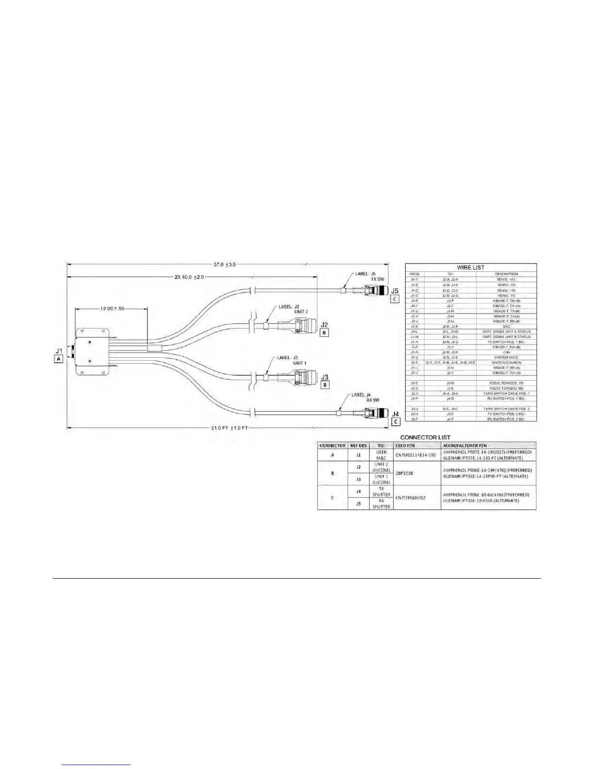
B.2.5 Redundant Loop CableRx / Tx
Use the CA-0020657 Redundant Loop Cable for interconnection of 1:1 Redundancy Rx / Tx applications. Use the J1 connector to connect to your
M&C interface. See the CONNECTOR LIST table in Figure B-5 for routing the remaining connectors.
Figure B-5. Redundant Loop CableRx / Tx (CEFD P/N CA-0020657)

Table of Contents

Other manuals for Comtech EF Data LPOD

Related product manuals