EasyManua.ls Logo

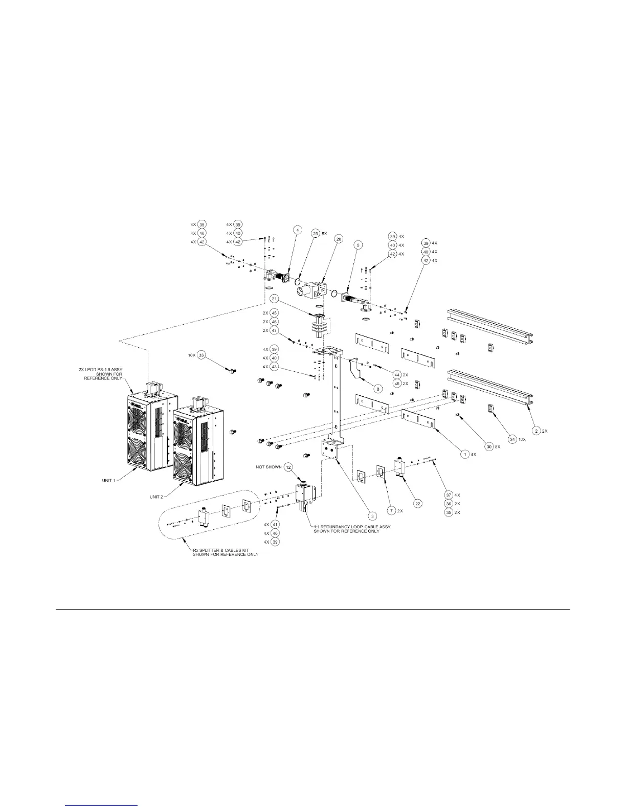
Comtech EF Data LPOD - Figure A-23. KT-0000060 LPOD PS 1.5 Ku-Band 1:1 Redundancy Kit (Exploded View)

Comtech EF Data LPOD
224 pages
Print Icon
To Next Page IconTo Next Page
To Next Page IconTo Next Page
To Previous Page IconTo Previous Page
To Previous Page IconTo Previous Page
Loading...
LPOD Outdoor Amplifier / Block Up Converter (BUC) Revision 9
Appendix A MN-LPOD
A–47
Figure A-23. KT-0000060 LPOD PS 1.5 Ku-Band 1:1 Redundancy Kit (Exploded View)

Table of Contents

Other manuals for Comtech EF Data LPOD

Related product manuals