EasyManua.ls Logo

Control Techniques COMMANDER SE - Page 25

Control Techniques COMMANDER SE
195 pages
Print Icon
To Next Page IconTo Next Page
To Next Page IconTo Next Page
To Previous Page IconTo Previous Page
To Previous Page IconTo Previous Page
Loading...
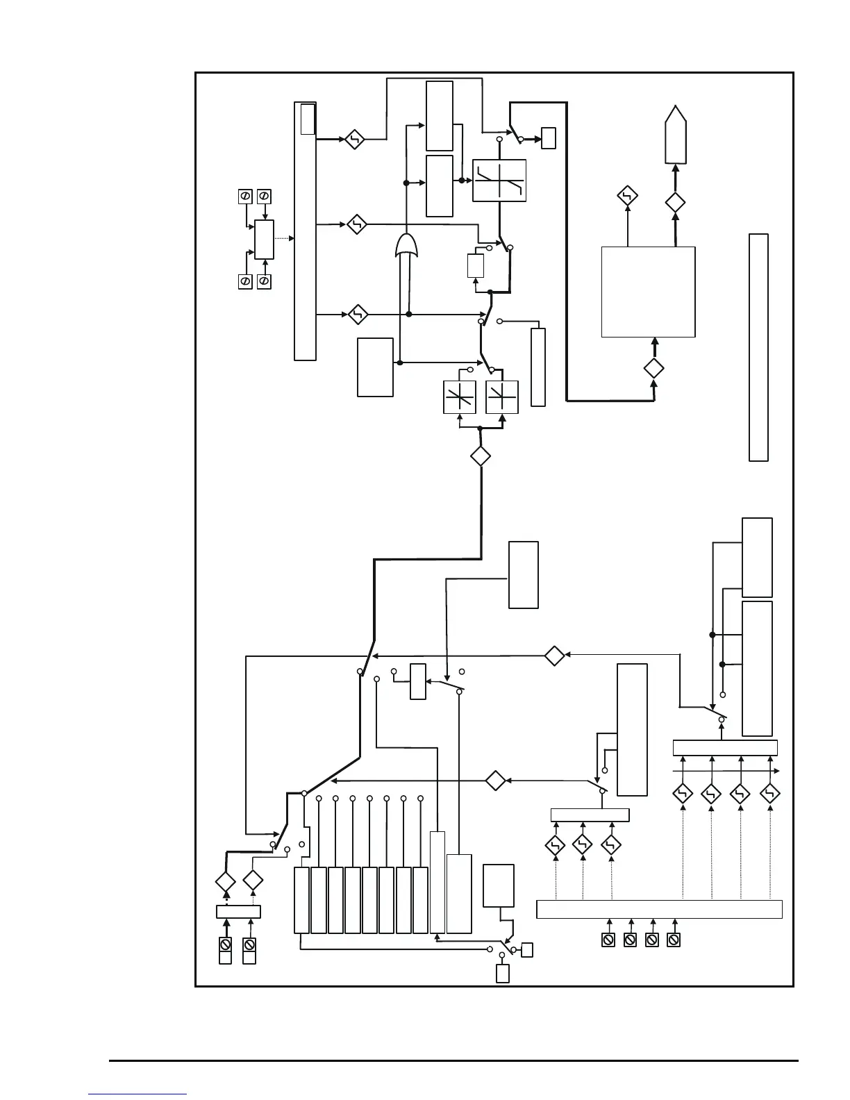
Commander SE Advanced User Guide 25
Issue Number: 4
Jog reference
1.05
0
1
1
0
1.01
Reference
selected
1
0
Max speed
1.06
Min speed
1.07
Max speed
21.01
*
Min speed
21.02
*
Disable Min speed
Reverse
select
Reference
On
1
0
1.13
1.12
1.11
0 Hz
OR
Drive Sequencer
Menu 6
Menu 8
Preset 1
1.21
Preset 2
1.22
Preset 3
1.23
Preset 4
1.24
Preset 5
1.25
Preset 6
1.26
Preset 7
1.27
Preset 8
1.28
Keypad reference
1.17
Precision reference
1.18 & 1.19
Analog reference 1
1.36
1.37
1
2
3
Precision reference
update disable
1.20
1
2
3
4
5
6
7
8
Memory
0
1
1 - 3
4
5
Preset reference
selected indicator
1.50
M
E
N
U
7
2
5
L
O
G
I
C
0
1 to 8
Preset reference selector
1.15
1.15 = 0
, ref. selected by digital inputs
1.15
=
1-8
, ref. selected by setting of
1.15
Reference selected
indicator
1.49
Preset select 0
1.45
Preset select 1
1.46
Preset select 2
1.47
M
E
N
U
8
Priority
0
1 to 5
Reference selector
1.14
1.14 = 0
, ref. selected by digital inputs
1.14
=
1-5
, ref. selected by setting of
1.14
Reference selector
21.03
*
(as 1.14)
An.ref 2 select
1.41
Preset select
1.42
Keypad select
1.43
Prec.ref select
1.44
L
O
G
I
C
Analog reference 2
X - 1
D
I
G
I
T
A
L
I
N
P
U
T
S
DIGITAL INPUTS
Skip frequency 1
1.29
Skip band 1
1.30
Skip frequency 2
1.31
Skip band 2
1.32
Skip frequency 3
1.33
Skip band 3
1.34
1.02
Pre-filter
reference
In filter zone
1.03
Pre-ramp
reference
1.35
*
Indicates parameter from second motor motor map
Power up
keypad ref
1.51
0
Last
0
1
2
Menu 2
MENU 1
Speed reference selection,limits and filters
Allow negative
digital
references
1.10
Jog
select

Table of Contents

Other manuals for Control Techniques COMMANDER SE

Related product manuals