EasyManua.ls Logo

Danfoss VLT AutomationDrive FC 300 - Page 26

Danfoss VLT AutomationDrive FC 300
296 pages
Print Icon
To Next Page IconTo Next Page
To Next Page IconTo Next Page
To Previous Page IconTo Previous Page
To Previous Page IconTo Previous Page
Loading...
230 VAC
50/60 Hz
230 VAC
50/60 Hz
TB6 Contactor
TB5
R1
1
2
Brake Temp
(NC)
Anti-condensation heater (optional)
(optional)
91 (L1)
92 (L2)
93 (L3)
PE
88 (-)
89 (+)
50 (+10 V OUT)
53 (A IN)
54 (A IN)
55 (COM A IN)
0/4-20 mA
12 (+24 V OUT)
13 (+24 V OUT)
18 (D IN)
20 (COM D IN)
15 mA
200 mA
(U) 96
(V) 97
(W) 98
(PE) 99
(COM A OUT) 39
(A OUT) 42
0/4-20 mA
03
+10 VDC
0 VDC - 10 VDC
0/4-20 mA
24 VDC
02
01
05
04
06
240 VAC, 2A
24 V (NPN)
0 V (PNP)
0 V (PNP)
24 V (NPN)
19 (D IN)
24 V (NPN)
0 V (PNP)
27
24 V
0 V
(D IN/OUT)
0 V (PNP)
24 V (NPN)
(D IN/OUT)
0 V
24 V
29
24 V (NPN)
0 V (PNP)
0 V (PNP)
24 V (NPN)
33 (D IN)
32 (D IN)
1 2
ON
A53 U-I (S201)
ON
21
A54 U-I (S202)
ON=0-20 mA
OFF=0-10 V
95
400 VAC, 2A
P 5-00
(R+) 82
(R-) 81
+ - + -
(P RS-485) 68
(N RS-485) 69
(COM RS-485) 61
0 V
5 V
S801
RS-485
RS-485
21
ON
S801/Bus Term.
OFF-ON
3 Phase
power
input
Load Share
Switch Mode
Power Supply
Motor
Analog Output
Interface
Relay1
Relay2
ON=Terminated
OFF=Open
Brake
resistor
(NPN) = Sink
(PNP) = Source
= ==
240 VAC, 2A
400 VAC, 2A
0 VDC - 10 VDC
10 VDC
37 (D IN) - option
130BC548.12
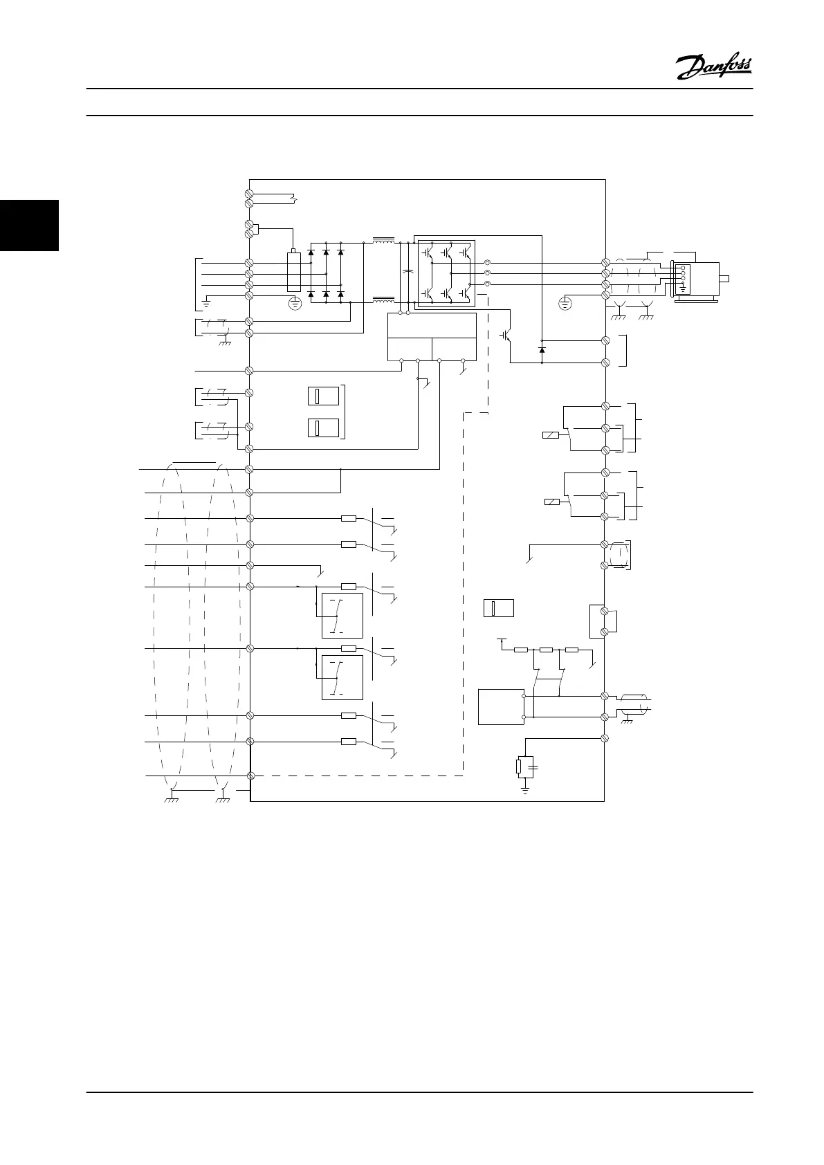
Figure 3.2 D-frame Interconnect Diagram
Product Introduction Design Guide
24 Danfoss A/S © Rev. 2014-02-10 All rights reserved. MG34S222
33

Table of Contents

Other manuals for Danfoss VLT AutomationDrive FC 300

Related product manuals