EasyManua.ls Logo

DIMA HC-200 - Page 156

Default Icon
174 pages
Print Icon
To Next Page IconTo Next Page
To Next Page IconTo Next Page
To Previous Page IconTo Previous Page
To Previous Page IconTo Previous Page
Loading...
Appendix E HYBRID Coater Service Manual ver1.1
154
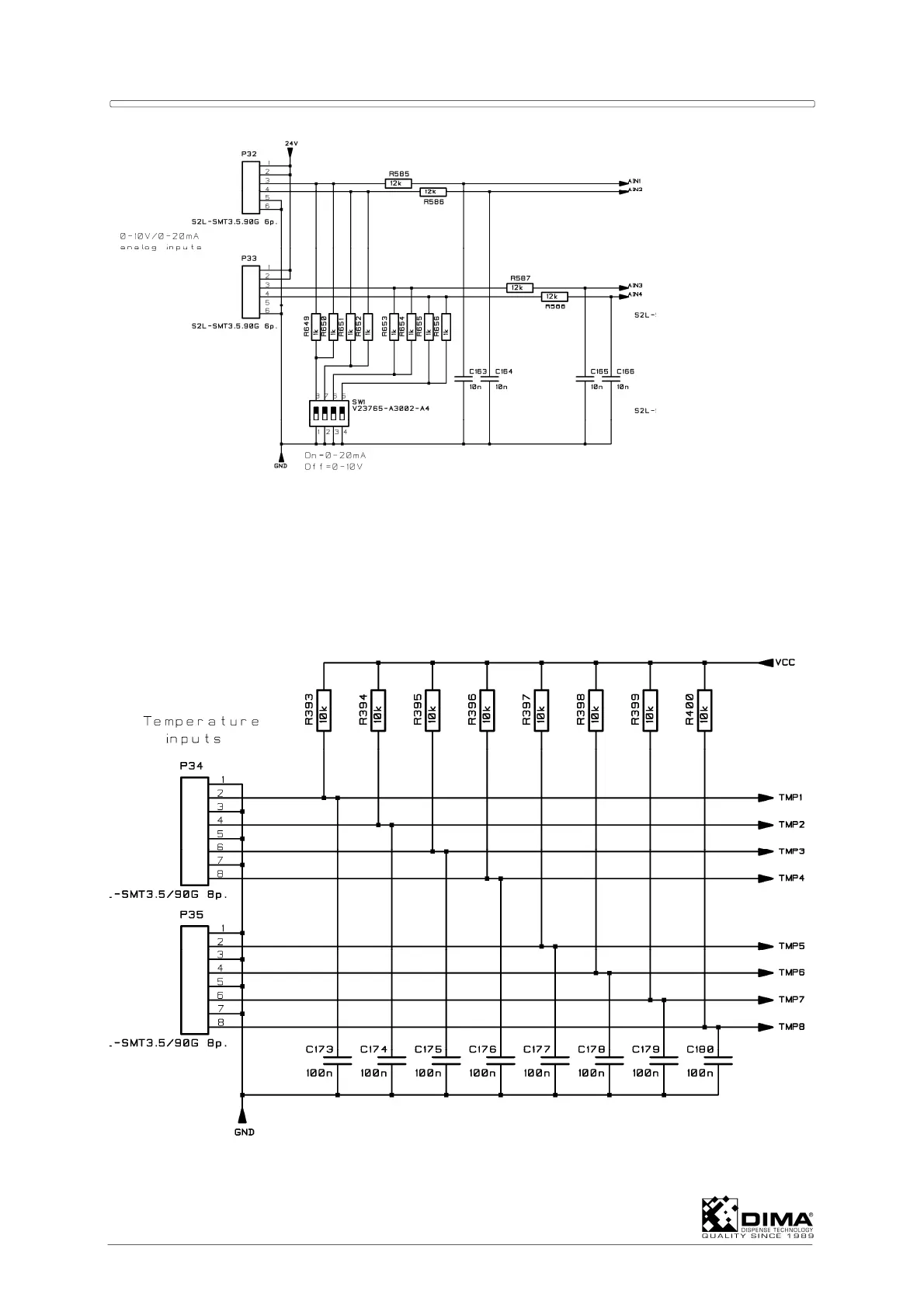
NOTE: IN ABOVE CIRCUIT A 12K RESISTOR IS PRESENT. NEAR THE
ANALOGUE TO DIGITAL CONVERTER A RESISTOR OF 10K IS PRESENT
TOWARDS GND SO 10.000VOLTS AT THE INPUTS GIVES 10/22*5= 4.545VOLT.
CONNECTORS P34 AND P35 FOR TEMPERATURE MEASUREMENT
Eight inputs are present for the connection of NTC temperature sensors. These inputs are
only used for certain options (e.g. valve heating).

Table of Contents

Related product manuals