EasyManua.ls Logo

Emerson Vilter MicroVission - Page 192

Emerson Vilter MicroVission
262 pages
Print Icon
To Next Page IconTo Next Page
To Next Page IconTo Next Page
To Previous Page IconTo Previous Page
To Previous Page IconTo Previous Page
Loading...
22 – 4
MicroVission Controller • Operation and Service Manual • Emerson • 35391MV 1.3
Section 22 Parts
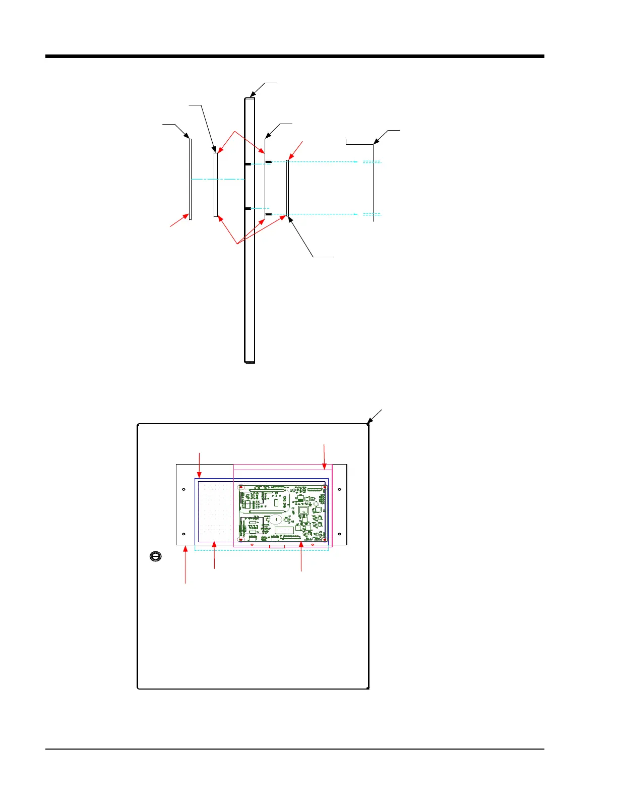
INSIDE DOOR VIEW
RIGHT VIEW
4
1
2
3
TOUCH SCREEN
DISPLAY
ENCLOSURE DOOR
CONTROLLER MOUNTING PLATE
CONTROLLER COVER PLATE
CONTROLLER CIRCUIT BOARD
CONTROLLER
CIRCUIT BOARD
CONTROLLER
COVER PLATE
CONTROLLER
MOUNTING
PLATE
DISPLAY
TOUCH SCREEN
Figure 22-2. MicroVission - SBC Assembly
ENCLOSURE DOOR

Table of Contents

Other manuals for Emerson Vilter MicroVission

Related product manuals