EasyManua.ls Logo

FEC Handheld Nutrunner HFC3000 - Input and Output Circuit Specifications and Recommended Connection Circuit

FEC Handheld Nutrunner HFC3000
231 pages
Print Icon
To Next Page IconTo Next Page
To Next Page IconTo Next Page
To Previous Page IconTo Previous Page
To Previous Page IconTo Previous Page
Loading...
Chapter 4 Installation and Wiring
PAGE 4-10
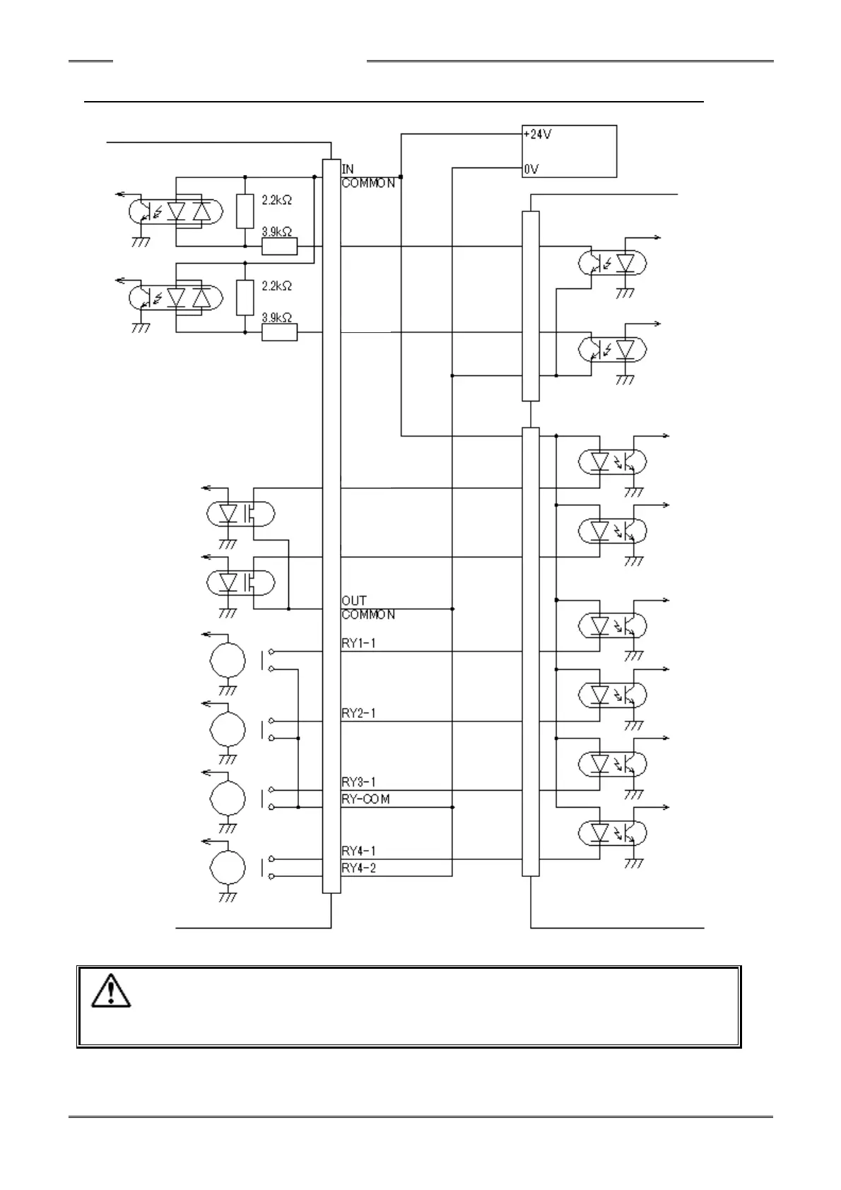
4-5-3 Input and Output Circuit Specifications and Recommended Connection Circuit
*The above diagram shows an NPN type connection example.
The HFC Unit may be wired for Sourcing (PNP) I/O by swapping the polarity of
the 24VDC power connections of the INPUT / OUTPUT COMMONS. (I/O Points are
Bi-directional)
Controller I/O circuit
Input circuit
Output circuit
PLC output circuit
DC power
source
PLC input circuit
Input signal
Input signal
Caution
Output signal
Output signal

Table of Contents