EasyManua.ls Logo

Ferrari 328 - Page 53

Ferrari 328
99 pages
Print Icon
To Next Page IconTo Next Page
To Next Page IconTo Next Page
To Previous Page IconTo Previous Page
To Previous Page IconTo Previous Page
Loading...
~
-
c
g
n
!!l.
_.
g
n
;-
~
$
1Il
n
i
..
go
=
..
3
..
:::I
i
f
II
-
C
<T
~
-
l;l
t!.
o
:::I
II
$
;r:
..
_.
i
..
2
..
a
\
I
\
\
,
!
( "'.
I
,
}O
I'
.
~
/ ' '
"~
"1
(:
~I
J
I i l \ I
II
I
I'
'
)
' I
I I
I
'
,I
II
II
:1
.,
II
'I'
'
,;
\
~:
:I
\.
,:
'
\1
<\.1L
I
IT,>
-
IILJ
.11,1\'
Ii
tit]
"-
..
r-~:
,
lJ I
,~
}
--J
r
3
/
MOLIKOTE
BR 2
----
i-/
D
5
- ...
_LL
-,r
/
24'
3
/
Agip
<:>
TER60
".~~
~,
1
~B=3
==
Agip
BRAKE FLUID
SUPER HD DOT 4
D
0'
••
o
Agip
Q
ROTRASX
SAE 75W/90
o
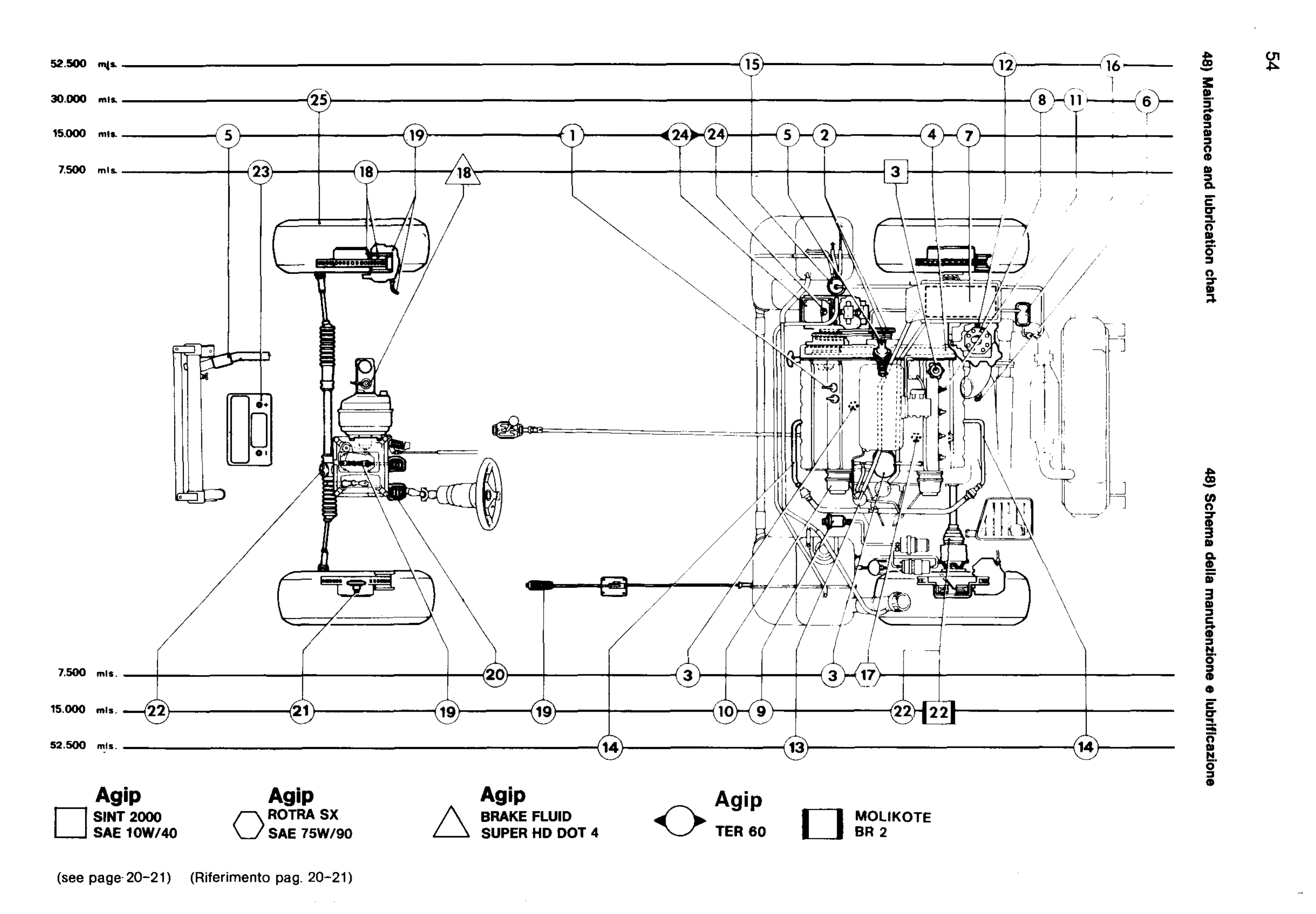
7.500
..
,.
H'i3l
I
(18)
I /,!s
7.500
..
".
I I I (
15.000
..
,.
® I I
Agip
D
SINT2000
SAE
10W/40
52.500
m'..
(,4)
(13)
(14
)f----
52500
*
(1S)
(1i)
(16--
30000
..
,.
(25)
I I
~\-C~'
:
CiI-
I
15000
..
,.
-@
@
@) @)
I
@K:V---i
@)-@I
1---
(see page'
20-21)
(Riferimenlo pag.
20-21)

Table of Contents

Related product manuals