EasyManua.ls Logo

Fuji Electric FRENIC MEGA G2 Series - 8.4 PID Control Section (for Processing)

Fuji Electric FRENIC MEGA G2 Series
970 pages
To Next Page IconTo Next Page
To Next Page IconTo Next Page
To Previous Page IconTo Previous Page
To Previous Page IconTo Previous Page
Loading...
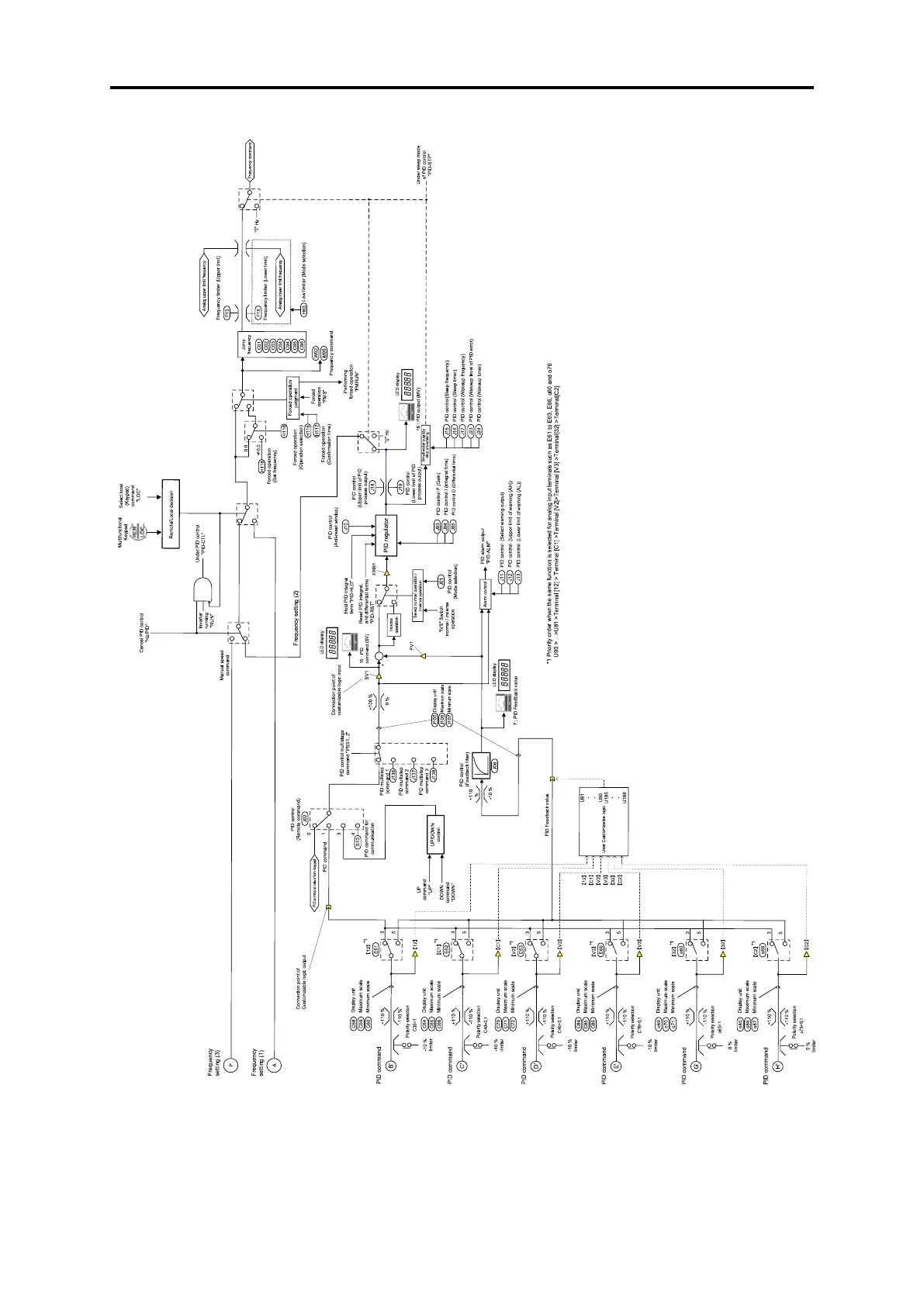
8.4 PID Control Section (for Processing)
8-6
8.4 PID Control Section (for Processing)
local
remote
Fig. 8.4-1 PID control section (for processing) block diagram

Table of Contents

Related product manuals