EasyManua.ls Logo

Fuji Electric FRENIC MEGA G2 Series - 6 ] PMSM Drive

Fuji Electric FRENIC MEGA G2 Series
970 pages
To Next Page IconTo Next Page
To Next Page IconTo Next Page
To Previous Page IconTo Previous Page
To Previous Page IconTo Previous Page
Loading...
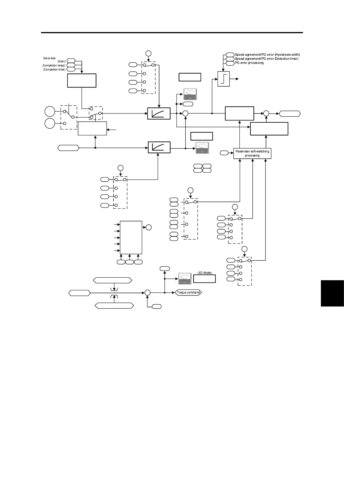
8.7 Control Section
8-17
BLOCK DIAGRAMS FOR CONTROL LOGIC
Chap 8
[ 6 ] PMSM drive
d02
A44
b44
r44
-
+
d03
A45
b45
r46
d04
A46
b46
r45
}
}
}
}
A
d25
A
ASR
switching time
Auto speed
regulator (ASR)
d22
d21
d23
+
+
d05
A47
b47
r47
A
Feed forward
(FF)
8: Actual speed/
estimated speed
+
+
P64
LED display
88888
88888
M02
W03
M06 M09
M66 M79
ASR output
d01
A43
b43
r43
A
A
Parameter
selector
A42 b42 r42
Position control
for servo lock
J98
J97
J99
H
I
P24
A38
b38
r38
A
Speed control 1 to 4
(Speed command filter)
0 : Output frequency 1
(before slip compensation)
Alarm
ere
Position control/speed
control switching
POS/Hz
Speed detection filter
Actual speed
Speed control 1 to 4
(Speed detection filter)
Speed command filter
LED display
88888
Servo lock command
"LOCK"
Servo lock
start/stop decision
Parameter selector 1 to 4
Select speed control parameter 1 "MPRM1"
Select speed control parameter 2 "MPRM2"
Select motor 2 "M2"
Select motor 3 M3
Select motor 4 M4
Motor parameter switching 2 to 4
Torque limiter (Driving)
Torque limiter (Braking)
ASR output
Motor 1 (Iron loss(base speed))
4 : Output torque
Speed control 1 to 4
P (Gain)
I (Integral time)
Speed control
(FF gain)
Load inertia
Fig. 8.7-9 Vector control (PMSM drive 1) section block diagram

Table of Contents

Related product manuals