EasyManua.ls Logo

GE Security ZP3 - Figure 25: Printer Installation

GE Security ZP3
144 pages
Print Icon
To Next Page IconTo Next Page
To Next Page IconTo Next Page
To Previous Page IconTo Previous Page
To Previous Page IconTo Previous Page
Loading...
ZP3 Fire Control Panel Installation, Commissioning and Maintenance Manual
Page 30 REV 11 (ISS 08/03/2010)
Installation instructions
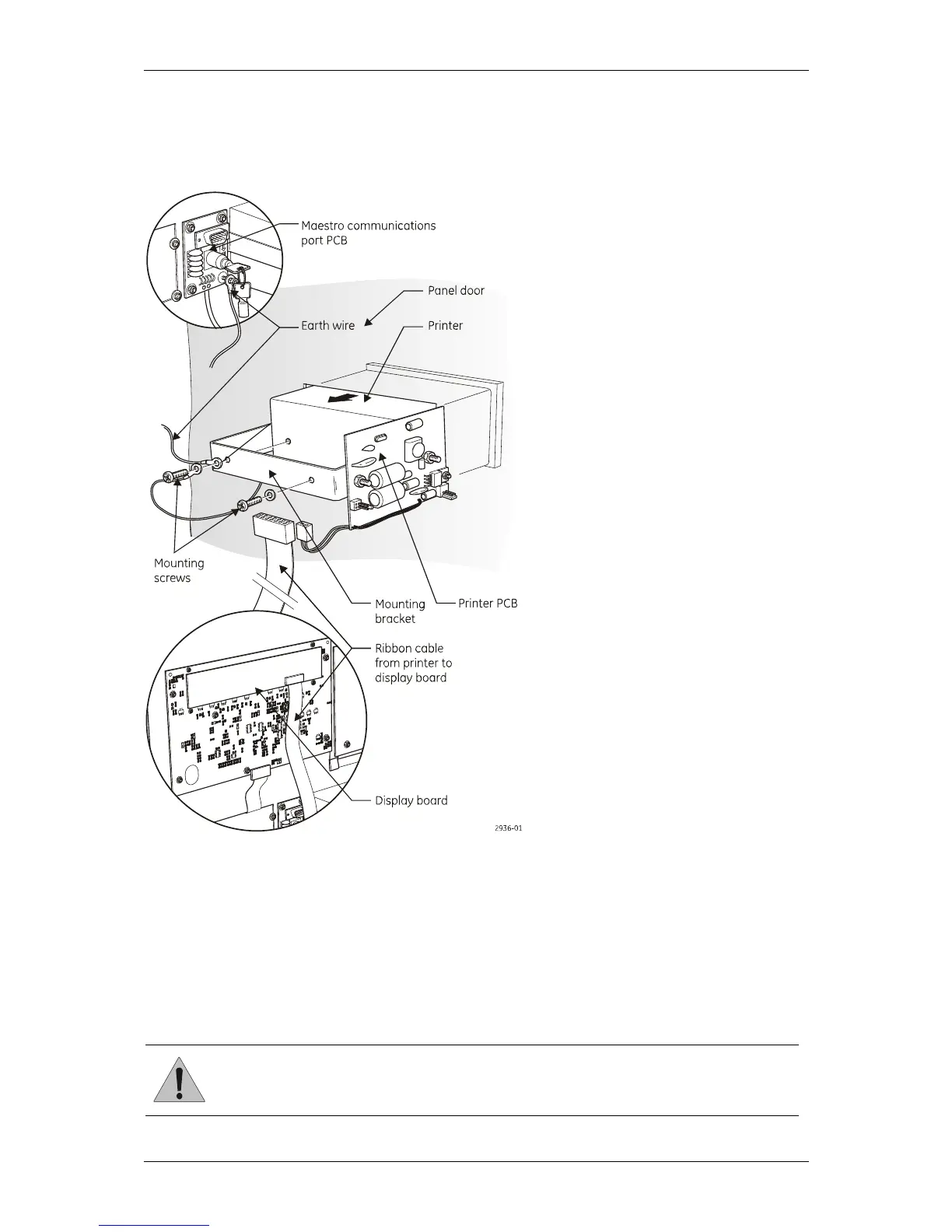
Refer to Figure 25.
Figure 25: Printer installation
1. Ensure that the ZP3 panel is powered down.
2. Remove the plastic knockout on the panel door.
3. Ensure that the orange and black cable is disconnected from the printer and separate the
printer from its bracket by removing the mounting screws.
4. Fit the printer flush with the panel door.
5. Install the mounting bracket as shown in the illustration. Line up the outer holes on the
mounting bracket with the threaded holes on the back of the panel printer.
6. Ensure that the earth connections are made as shown in the Figure 25.
CAUTION: Do not over-tighten the panel clamp screws. Failure to comply will damage the unit.

Table of Contents

Related product manuals