EasyManua.ls Logo

GE Security ZP3 - Main Chassis Assembly; Figure 6: ZP3 Fire Control Panel - Main Chassis Assembly

GE Security ZP3
144 pages
Print Icon
To Next Page IconTo Next Page
To Next Page IconTo Next Page
To Previous Page IconTo Previous Page
To Previous Page IconTo Previous Page
Loading...
ZP3 Fire Control Panel Installation, Commissioning and Maintenance Manual
REV 11 (ISS 08/03/2010) Page 11
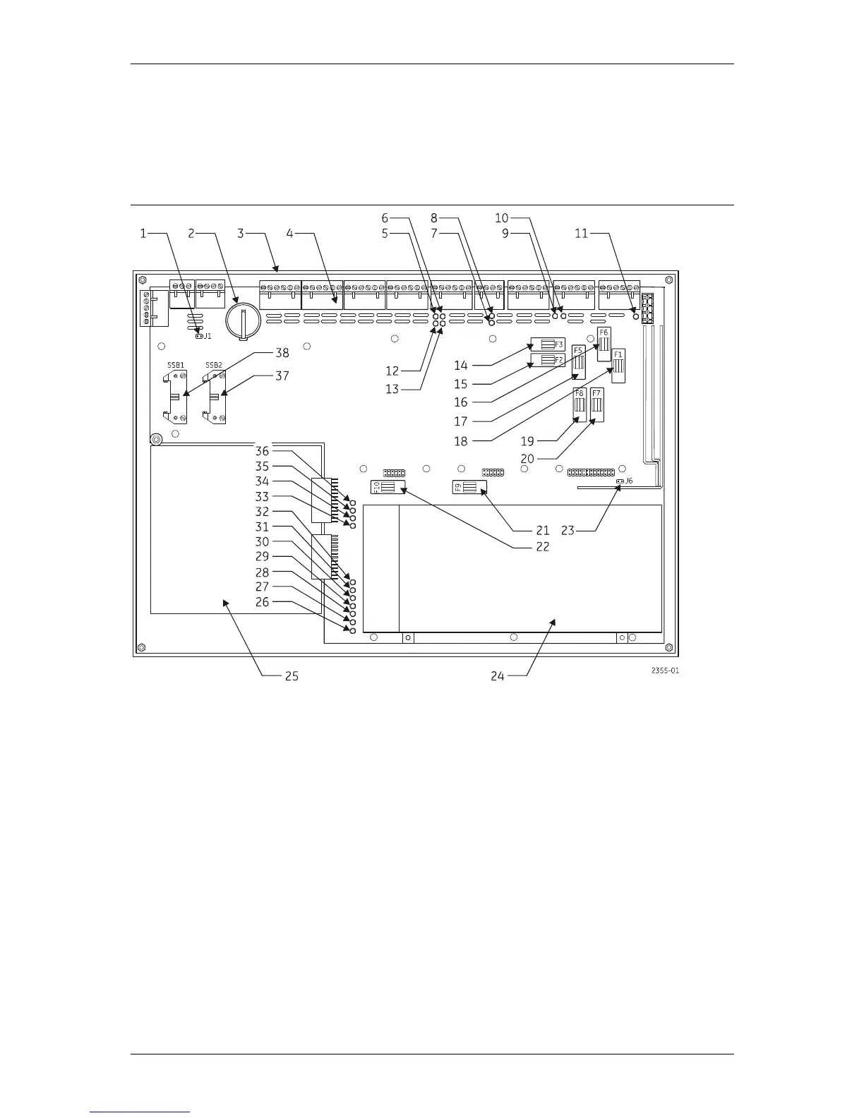
Main chassis assembly
Figure 6 shows all the main features of the ZP3 panel main chassis assembly. This unit comprises
the line-drivers, the I/O circuitry, the control circuits, the power supply, and the plug-in central
processing unit (CPU).
Figure 6: ZP3 Fire control panel – main chassis assembly

Table of Contents

Related product manuals