EasyManua.ls Logo

GE Security ZP3 - Common Fire; Fault Outputs; Figure 45: Common Fire;Fault Outputs

GE Security ZP3
144 pages
Print Icon
To Next Page IconTo Next Page
To Next Page IconTo Next Page
To Previous Page IconTo Previous Page
To Previous Page IconTo Previous Page
Loading...
ZP3 Fire Control Panel Installation, Commissioning and Maintenance Manual
REV 11 (ISS 08/03/2010) Page 55
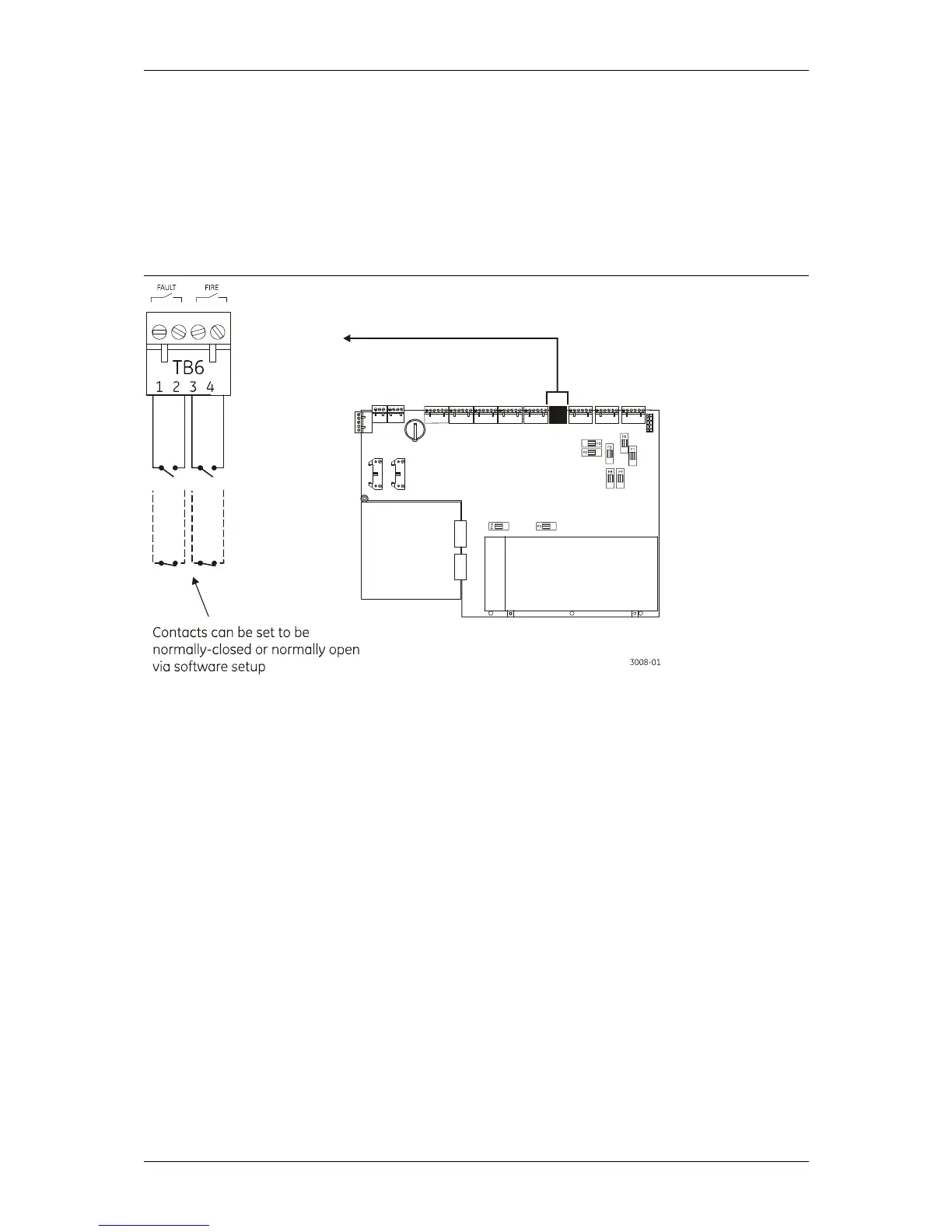
Common fire / fault outputs
See Figure 45. The common fire and common fault relay outputs provide voltage free contacts,
which can be set to be either ‘normally open’ (closing on alarm), or ‘normally closed’ (opening on
alarm). The N/O or N/C settings are done in software in the setup menu.
The common fire relay changes state on any fire alarm, and the common fault relay changes
state on any fault alarm. Relays restore when the panel is reset.
Figure 45: Common fire/fault outputs
The relay contacts are rated for a maximum current of 1 A, and a maximum voltage of 24 VDC or
100 VAC.

Table of Contents

Related product manuals