EasyManua.ls Logo

Helmer iB111 (Version A) - 28 Schematics; HLR and HPR Models; 11 Cubic Feet

Helmer iB111 (Version A)
138 pages
Print Icon
To Next Page IconTo Next Page
To Next Page IconTo Next Page
To Previous Page IconTo Previous Page
To Previous Page IconTo Previous Page
Loading...
360077-1/O 133
Horizon Series™ - Laboratory, Pharmacy, and International Blood Bank Models
28 Schematics
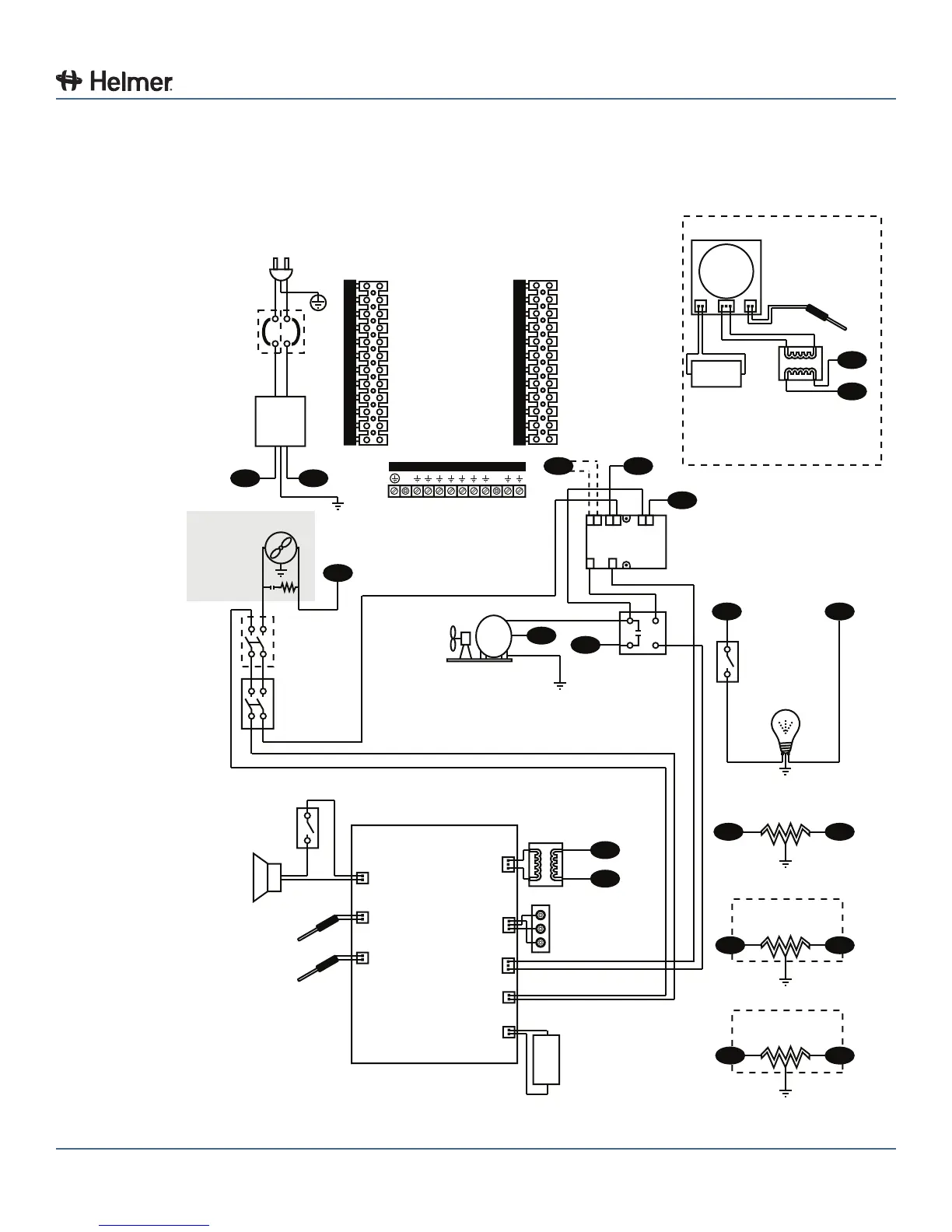
28.1 HLR and HPR Models; 11 Cubic Feet
230 V models
only
(P)
CIRCUIT
BREAKERS
(J) CONDENSATE
EVAPORATOR
(A) COMPRESSOR
(U) CONDENSING
UNIT FAN
MOTOR
MAIN POWER
115 (±10%) V ac 60 Hz
230 (±10%) V
ac 50 Hz
230 (±10%) V
ac 60 Hz
(AA)
COMPRESSOR
RELAY
(C) LEFT DOOR
HEATER
optional feature
(O) RIGHT DOOR
HEATER
optional feature
(AI) CHART
RECORDER
PROBE
CHART
RECORDER
TRANSFORMER
optional feature
(D) ALARM
BUZZER
(G) TEMPERATURE
CONTROL PROBE
(AB) UPPER
CHAMBER PROBE
(L)
MONITOR/CONTROL
BOARD
(I) DOOR
SWITCH
(I) DOOR
SWITCH
double door
models only
POWER
CORD
REMOTE
ALARM
INTERFACE
COM
NC
NO
(AE) MONITOR
BACKUP
BATTERY
-
+
(AD) CHART
RECORDER
BACKUP
BATTERY
- +
(X) CHART RECORDER
LINE (L1)
NEUTRAL (L2)
1 DEFROST TIMER
2 UNIT COOLER FAN (DEFROST MODE)
4 TEMP CONTROL TRANSFORMER
5 NOT USED
6 CHART RECORDER TRANSFORMER
8 RIGHT DOOR HEATER
7 COMPRESSOR RELAY
9 LEFT DOOR HEATER
12 CONDENSATE EVAPORATOR
10 NOT USED
11 LIGHT SWITCH
3 POWER LINE FILTER
1 DEFROST TIMER
2 NOT USED
4 TEMP CONTROL TRANSFORMER
5 NOT USED
6 CHART RECORDER TRANSFORMER
8 RIGHT DOOR HEATER
7 COMPRESSOR
9 LEFT DOOR HEATER
12 CONDENSATE EVAPORATOR
10 UNIT COOLER FAN
11 LIGHT
3 POWER LINE FILTER
TERMINAL STRIPS
LN
(AK) POWE
R
LINE FILTER
LINE
NEUTRAL
IN
OUT
(W) ALARM
KEY SWITCH
TEMP CONTROL
TRANSFORMER
(AJ) LIGHT
SWITCH
12 V
ac
23
4
1
5 V
dc
+
-
(AG) UNIT COOLER
(H) UNIT
COOLER
FAN
(M) LIGHT
RTD2RTD1BEEP
12 V ac
BATT DOOR 1 2 +NO C NC AC AC
(F) DEFROST
TIMER
5634
87
12
GROUND
POWER CORD
COMPRESSOR
DOOR HEATER (RIGHT)
POWER LINE FILTER
UNIT COOLER
CONDENSATE
EVAPORATOR
DOOR HEATER
(SINGLE / LEFT)
LIGHT ASSEMBLY
L2
12
L1
12
L1
9
L2
9
L1
8
L2
8
L1
3
L2
3
L2
10
L1
11
L2
11
L2
7
L1
7
L1
6
L2
6
L2
4
L1
4
L2
1
L1
1
115 V
230 V
L1
2

Table of Contents

Related product manuals