EasyManua.ls Logo

Helmer iB111 (Version A) - Ilr, Ipr Models; 11 Cubic Feet

Helmer iB111 (Version A)
138 pages
Print Icon
To Next Page IconTo Next Page
To Next Page IconTo Next Page
To Previous Page IconTo Previous Page
To Previous Page IconTo Previous Page
Loading...
360077-1/O 63
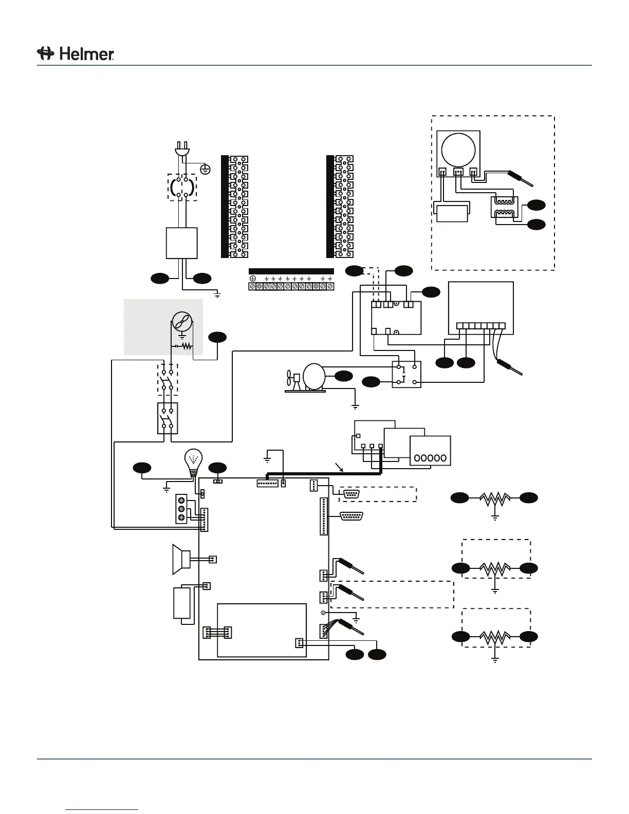
i.Series® - All Models
13.2 iLR, iPR Models; 11 Cubic Feet
(J) CONDENSATE
EVAPORATOR
(A) COMPRESSOR
(U) CONDENSING
UNIT FAN
MOTOR
(AA) COMPRESSOR
RELAY
(C) LEFT DOOR
HEATER
optional feature
(G)
TEMPERAT
URE
CONTROL
PROBE
(O) RIGHT DOOR
HEATER
optional feature
(AI) CHART
RECORDER
PROBE
CHART
RECORDER
TRANSFORMER
optional feature
(B)
TEMPERATURE
CONTROLLER
18765432
(D) ALARM
BUZZER
(M)
LIGHT
(AC) CONDENSER
PROBE
(AB) UPPER
CHAMBER PROBE
(AH) POWER
SUPPLY BOARD
P1
(E) CONTROL
BOARD
J9
1
LP2
LP1
J1
1
J12
J15
J6
1
J4
1
J5
1
J10
J11
1
J8
1
DISPLAY
BOARD
J4
J1 J3J2
LCD
BOARD
(K) DISPLAY
ASSEMBLY
TOUCHPAD
(I) DOOR
SWITCH
(I) DOOR
SWITCH
double door
models only
POWER
CORD
REMOTE
ALARM
INTERFACE
COM
NC
NO
(AE) MONI
TOR
BACKUP
BATTERY
-
+
(AD) CHART
RECORDER
BACKUP
BATTERY
- +
(X) CHART RECORDER
RS232 PORT
FLASH CARD
PORT
LINE (L1)
NEUTRAL (L2)
1 DEFROST TIMER
2 UNIT COOLER FAN (DEFROST MODE)
4 POWER SUPPLY BOARD
5 TEMPERATURE CONTROLLER
6 CHART RECORDER TRANSFORMER
8 RIGHT DOOR HEATER
7 COMPRESSOR RELAY
9 LEFT DOOR HEATER
12 CONDENSATE EVAPORATOR
10 NOT USED
11 CONTROL BOARD
3 POWER LINE FILTER
1 DEFROST TIMER
2 NOT USED
4 POWER SUPPLY BOARD
5 TEMPERATURE CONTROLLER
6 CHART RECORDER TRANSFORMER
8 RIGHT DOOR HEATER
7 COMPRESSOR
9 LEFT DOOR HEATER
12 CONDENSATE EVAPORATOR
10 UNIT COOLER FAN
11 LIGHT
3 POWER LINE FILTER
TERMINAL STRIPS
LN
(AK) POWE
R
LINE FIL
TER
LINE
NEUTRAL
IN
OUT
MAIN POWER
115 (±10%) V ac 60 Hz
230 (±10%) V
ac 50 Hz
230 (±10%) V
ac
60 Hz
12 V ac
(AG) UNIT COOLER
(H) UNIT
COOLER
FAN
23
4
1
5 V
dc
+
-
12 V
dc
+
-
230 V models
only
(P)
CIRCUIT
BREAKERS
optional feature
(AF) INTERFACE
CABLE
(N) LOWER CHAMBER
PROBE
120, 125, 245, 256
models only
(F) DEFROST
TIMER
5634
87
12
GROUND
POWER CORD
COMPRESSOR
DOOR HEATER (RIGHT)
POWER LINE FILTER
CONTROL BOARD
UNIT COOLER
LIGHT ASSEMBLY
CONDENSATE
EVAPORATOR
DOOR HEATER
(SINGLE / LEFT)
L2
12
L1
3
L2
3
L1
12
L1
9
L2
9
L1
8
L2
8
L2
11
L1
11
L2
10
L2
7
L1
7
L1
6
L2
6
L2
4
L1
4
L2
5
L1
5
L2
1
L1
1
115 V
230 V
L1
2

Table of Contents

Related product manuals