EasyManua.ls Logo

Hioki BT4560 - Internal Circuitry

Hioki BT4560
160 pages
Print Icon
To Next Page IconTo Next Page
To Next Page IconTo Next Page
To Previous Page IconTo Previous Page
To Previous Page IconTo Previous Page
Loading...
91
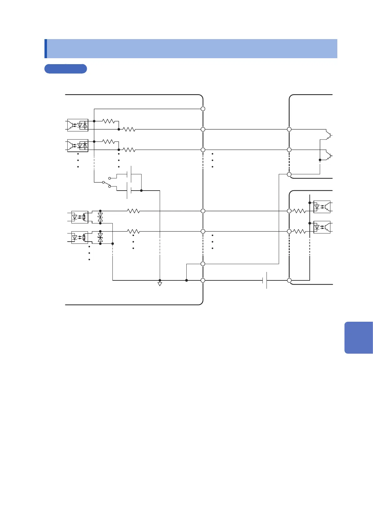
Internal Circuitry
8.3 Internal Circuitry
NPN setting
PLC, others
Output
Common
Do not connect external power supply to 8 pin.
The instrument
8
ISO_5V
1
START (TRIG)
2
0ADJ_ALL
10
ERR
11
RorZ_HI
9
ISO_COM
27
ISO_COM
PLC, others
Input
Common
2 k
Ω
1 k
Ω
10
Ω
Zener voltage 30 V
Internally isolated common
(This is isolated to the protective ground.)
NPN
EXT.I/O MODE
selector
Internally isolated
power supply
8
External Control (EXT.I/O)

Table of Contents

Related product manuals