EasyManua.ls Logo

Hioki PQ3198 - Utilizing Channel 4 Effectively

Hioki PQ3198
304 pages
To Next Page IconTo Next Page
To Next Page IconTo Next Page
To Previous Page IconTo Previous Page
To Previous Page IconTo Previous Page
Loading...
A19
Appendix
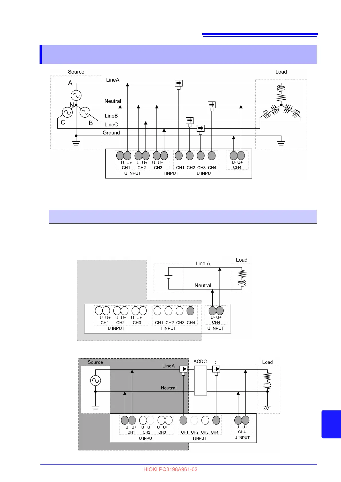
While channel 4 is often used to measure the neutral line of 3-phase 4-wire connections, there are a vari-
ety of other uses since it is isolated from
the instrument's other channels.
This is an extremely broad range of applications that extend
s from monitoring DC power supply systems
to monitoring hardware internal power supplies. Since events can be detected using DC measured val-
ues, it is possible to monitor the AC power supply o
n channels 1 through 3 when DC power supply distur-
bances occur.
Appendix 6 Making Effective Use of Channel 4
DC power supply measurement
Example of DC power supply measure-
ment
±24 V, ±15 V, ±5 V, etc.
Used for separate
systems
±24 V, ±15 V, ±5
V, etc.
HIOKI PQ3198A961-02

Table of Contents

Other manuals for Hioki PQ3198

Related product manuals