EasyManua.ls Logo

Honeywell AUTOMATIC CONTROL SI Edition - Page 320

Honeywell AUTOMATIC CONTROL SI Edition
512 pages
Print Icon
To Next Page IconTo Next Page
To Next Page IconTo Next Page
To Previous Page IconTo Previous Page
To Previous Page IconTo Previous Page
Loading...
ENGINEERING MANUAL OF AUTOMATIC CONTROL
CHILLER, BOILER, AND DISTRIBUTION SYSTEM CONTROL APPLICATIONS
310
SYSTEM DESCRIPTION
Figure 16 shows a typical “decoupled” multiple chiller
system. Each chiller has a (primary) dedicated constant speed
pump selected to produce the chiller design flow through the
primary loop, including the “decoupler line”. The decoupler
line isolates the primary and secondary pumping systems and
handles any imbalance between the two flow loops. The
decoupler line is typically sized to handle the flow of the largest
primary pump at a negligible pressure drop, should be at least
6 to 10 pipe diameters in length, and the tees at each end should
be configured as shown to oppose any undesirable induced flow
forces. Decoupler flow should always be forward, not to exceed
the flow of one chiller. Any backward decoupler flow will dilute
the secondary chilled water supply with secondary return water
thus raising the secondary supply temperature above design.
The secondary pumping system is variable volume and may
contain many varieties of pumping loops.
Control, the staging of chillers on and off, is normally:
Start a chiller anytime the decoupler has a backward flow.
Stop a chiller anytime the decoupler forward flow
exceeds that of the next chiller to be shed.
SOFTWARE PARTITIONING
From an operational and control perspective, the physical
configuration of chiller plant digital controllers is usually
transparent. The configuration varies, depending upon:
Chiller staging algorithm.
Redundant/backup control requirements.
Condenser water system configuration.
NOTE: Where water leaving cooling towers becomes
common before being extended to the chiller
plant, a single cooling tower isolating, staging,
and loading algorithm is usually preferred.
Chiller monitoring requirements.
Controller capacity for monitoring and control.
Other project-unique requirements.
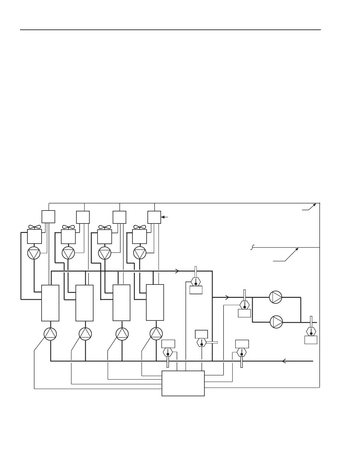
Figure 17 is a schematic of a digital system configuration. Each
chiller has a dedicated cooling tower and a dedicated controller
for chiller, cooling tower, and condenser water monitoring and
control. Figure 18 shows a variation of Figure 17 where condenser
water is common to all chillers and the cooling towers are staged
in response to condenser water demand.
Fig. 17. Typical Digital Controller Configuration for Multiple Chillers.
CT
4
CT
3
CT
2
CT
1
DIGITAL COMMUNICATIONS
SECONDARY SYSTEM
DEMANDS FOR
TEMPERATURE AND FLOW
CHILLER
DIGITAL
CONTROLLERS
C
H
L
R
4
C
H
L
R
3
C
H
L
R
2
C
H
L
R
1
DC
4
DC
3
DC
2
DC
1
CHILLER
STAGING
CONTROLLER
7.0
7.0
13.0
13.0
7.0
7.4
T
SS
T
RS
P
S2
T
SS
P
S1
T
RP
T
SP
T
D
M15258

Table of Contents

Related product manuals