EasyManua.ls Logo

IAI SCON-CA - Page 64

IAI SCON-CA
370 pages
Print Icon
To Next Page IconTo Next Page
To Next Page IconTo Next Page
To Previous Page IconTo Previous Page
To Previous Page IconTo Previous Page
Loading...
Chapter 2 Wiring
54
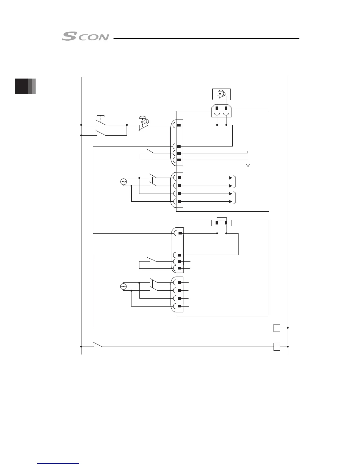
SCON-CGAL
24V
Emergency stop
reset switch
Emergency stop
switch
Emergency stop switch
for the teaching pendant
CR1
(Note 1)
0V
MC1
CR1
CR1
S1
S2
S1
S2
1
58
58
2
3
4
1
2
3
4
1
2
3
4
1
2
3
4
EMG
A
EMG
B
CR1
(Note 1)
MC1
(Note 2)
AC100V
AC200V
System I/O SIO connector
Emergency stop circuit
exclusive use 24V
SIO connector
Dummy plug DP-5
connecter
System I/O
connecter
EMG+
EMG-
L1
L2
L1C
L2C
AC power supply
(Note 3)
(Note 3)
input connector
AC power supply
input connector
Motor
power supply
Control
power supply
CR1
(Note 1)
MC1
(Note 2)
AC100V
AC200V
EMG+
EMG-
L1
L2
L1C
L2C
Note 1 The rating of the CR is 30V DC and 100mA or less.
Note 2 Connect a joint such as a contactor on L1/L2 on the terminal if an external cutoff is
required on the motor driving source in order to be complied.
Note 3 In case nothing is connected to SIO connector, S1 and S2 will not be short-circuited. In
order to make short-circuit, it is necessary to connect the enclosed dummy plug DP-5 to
SIO connector.

Table of Contents

Other manuals for IAI SCON-CA

Related product manuals