EasyManua.ls Logo

Keithley 6430 - Figure 19-5 1 Pa to 100 Na Range Gain Calibration Connections

Keithley 6430
558 pages
Print Icon
To Next Page IconTo Next Page
To Next Page IconTo Next Page
To Previous Page IconTo Previous Page
To Previous Page IconTo Previous Page
Loading...
Calibration 19-19
4. From the calibration menu, select GAIN, then press ENTER. The instrument will
prompt you for Remote PreAmp gain calibration:
PREAMP GAIN CAL
10uA 1uA 100nA 10nA 1nA
100pA 10pA 1pA
5. Select the 100nA range, then press ENTER. The unit will prompt you as follows:
I-CAL
Press ENTER to Output +000.00nA
6. Press ENTER. The unit will prompt you for calculated current:
DMM RDG: +000.0000nA
Use , , , , ENTER or EXIT.
7. Note the DMM voltage reading, then calculate the current from the voltage reading and
the actual characterized calibration standard resistance value: I = V/R. Adjust the Model
6430 display to agree with the calculated current value, then press ENTER.
8. The unit will prompt you as follows:
I-CAL
Press ENTER to Output +085.00nA
WARNING:NO INTERNAL OPERATOR SERVICABLE PARTS,SERVICE BY QUALIFIED PERSONNEL ONLY.
WARNING:NO INTERNAL OPERATOR SERVICABLE PARTS,SERVICE BY QUALIFIED PERSONNEL ONLY.
CAUTION:FOR CONTINUED PROTECTION AGAINST FIRE HAZARD,REPLACE FUSE WITH SAME TYPE AND RATING.
CAUTION:FOR CONTINUED PROTECTION AGAINST FIRE HAZARD,REPLACE FUSE WITH SAME TYPE AND RATING.
MADE IN
U.S.A.
INPUT/
OUTPUT
42V
PEAK
250V
PEAK
TRIGGER
LINK
4-WIRE
SENSE
HI
LO
LINE RATING
100-240VAC
50, 60, HZ
100VA MAX
RS232
IEEE-488
(ENTER IEEE ADDRESS
WITH FRONT PANEL MENU)
250V
PEAK
5V
PEAK
5V
PEAK
5V
PK
V, ,
GUARD
GUARD
SENSE
LINE FUSE
SLOWBLOW
2.5A, 250V
INTERLOCK-
DIGITAL I/O
REMOTE
PreAmp
!
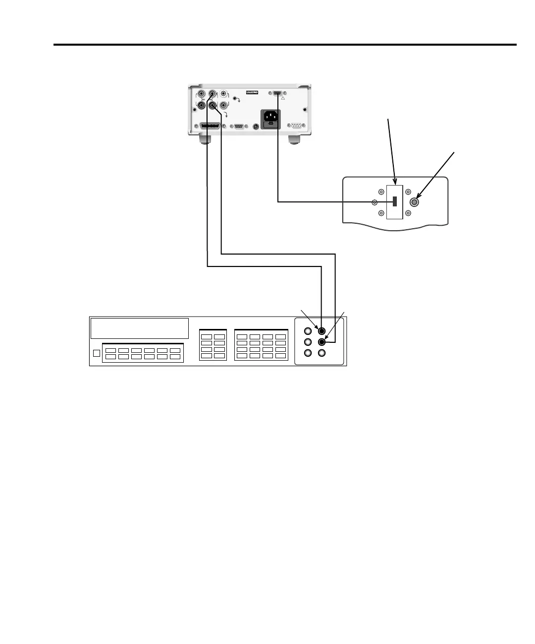
Connect PreAmp IN/OUT HIGH Jack
Directly to 5156 OUTPUT Jack
using triax male-to-male Adapter
BNC Shorting Plug
(Connect to Resistor
Being used)
Note: Remove Link Between
SHIELD and CHASSIS
Mainframe/PreAmp Cable
Model 6430
Input HI
Input LO
Digital Multimeter
100G
1 nF
100nF
10G
1G
100M
Model 5156 Electrometer Calibration Standard
Figure 19-5
1pA to 100nA range
gain calibration
connections

Table of Contents

Other manuals for Keithley 6430

Related product manuals