EasyManua.ls Logo

Laverda 750S - General Electric Plant Scheme with Nissho-Iwai Regulator; Schema Impianto Elettrico Generale con Regolatore Nissho-Iwai; SchemainstallationelectriquegeneraleavecregulateurNissho-Iwai

Laverda 750S
275 pages
Print Icon
To Next Page IconTo Next Page
To Next Page IconTo Next Page
To Previous Page IconTo Previous Page
To Previous Page IconTo Previous Page
Loading...
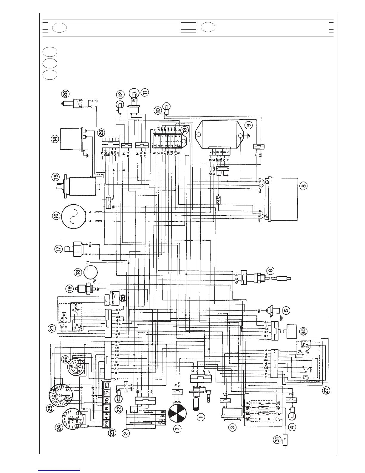
7.13 SCHEMA IMPIANTO ELETTRICO GENERALE CON REGOLATORE “NISSHO-IWAI”
7.13 GENERAL ELECTRIC PLANT SCHEME WITH “NISSHO-IWAI” REGULATOR
7.12 SCHEMA INSTALLATION ELECTRIQUE GENERALE AVEC REGULATEUR “NISSHO-IWAI”
261
F
GB
7 - ELECTRIC SYSTEM 7 - INSTALLATION ELECTRIQUE
GB
I
F

Table of Contents

Related product manuals