EasyManua.ls Logo

MacDon R216 SP - Page 38

MacDon R216 SP
184 pages
Print Icon
To Next Page IconTo Next Page
To Next Page IconTo Next Page
To Previous Page IconTo Previous Page
To Previous Page IconTo Previous Page
Loading...
214880 30 Revision A
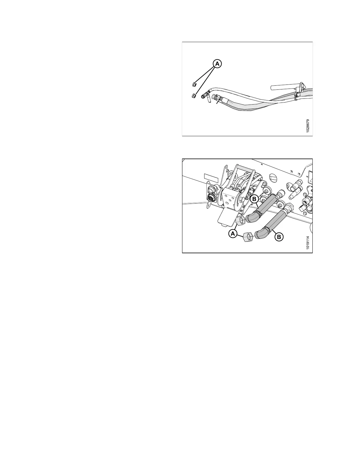
Figure 3.22: Protective Shipping Plugs on R216
Hydraulic Hoses
4. Remove protective plugs (A) from ends of hydraulic hoses.
Figure 3.23: Hose Support
5. Use a clean rag to remove dirt and moisture from the
couplers on the windrower and remove protective plugs (A)
from hoses (B).
OPERATION

Table of Contents

Related product manuals