EasyManua.ls Logo

Maggi JUNIOR 640 - Tilslutning Af Ledninger Til Klemrækken

Maggi JUNIOR 640
185 pages
Print Icon
To Next Page IconTo Next Page
To Next Page IconTo Next Page
To Previous Page IconTo Previous Page
To Previous Page IconTo Previous Page
Loading...
103
DK
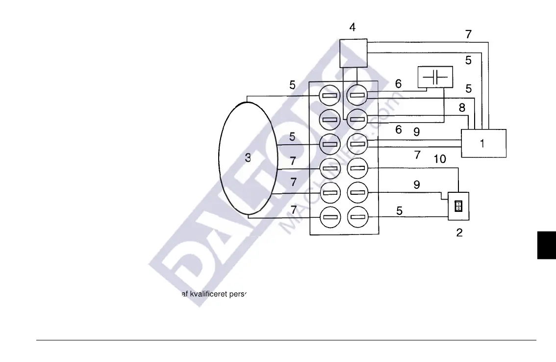
5-2 TILSLUTNING AF LEDNINGER TIL KLEMRÆKKEN
N.B.: Denne tilslutningstype skal udføres af kvalificeret personale
ENFASET MOTOR
V 220 50 Hz. HP 3
1 -Enfaset motor
2 - Afbryderkontakt
3 - Motorbeskyttelse
4 - Forsyning til motorbremse
5 - Sort
6 - Hvid
7 - Rød
8 - Grøn
9 - Blå
10 - Brun
Denne tilslutningstype skal udføres af kvalificeret personale

Table of Contents

Related product manuals