EasyManua.ls Logo

Maggi JUNIOR 640 - Three-Phase Motor - Motor Safe-Box

Maggi JUNIOR 640
185 pages
Print Icon
To Next Page IconTo Next Page
To Next Page IconTo Next Page
To Previous Page IconTo Previous Page
To Previous Page IconTo Previous Page
Loading...
26
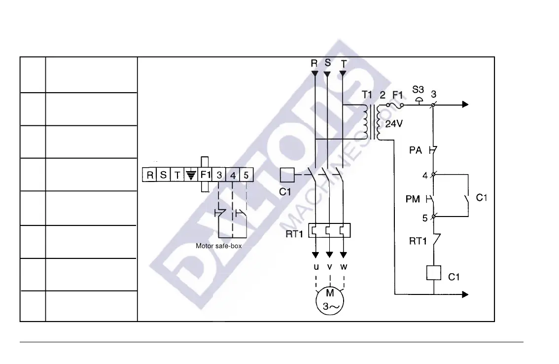
5-3 THREE-PHASE MOTOR - MOTOR SAFE-BOX
S3
PA
PM
C1
RT1
T1
F1
M
Motor safe-box
LINE
Terminal board
Emergency button
Stop button
Running button
Contactor
Temperature relay
Transformer
Fuse
Motor
Motor safe-box
Motor safe-box

Table of Contents

Related product manuals