EasyManua.ls Logo

Maggi JUNIOR 640 - Trefaset Motor - Motorbeskyttelses-Dåse

Maggi JUNIOR 640
185 pages
Print Icon
To Next Page IconTo Next Page
To Next Page IconTo Next Page
To Previous Page IconTo Previous Page
To Previous Page IconTo Previous Page
Loading...
104
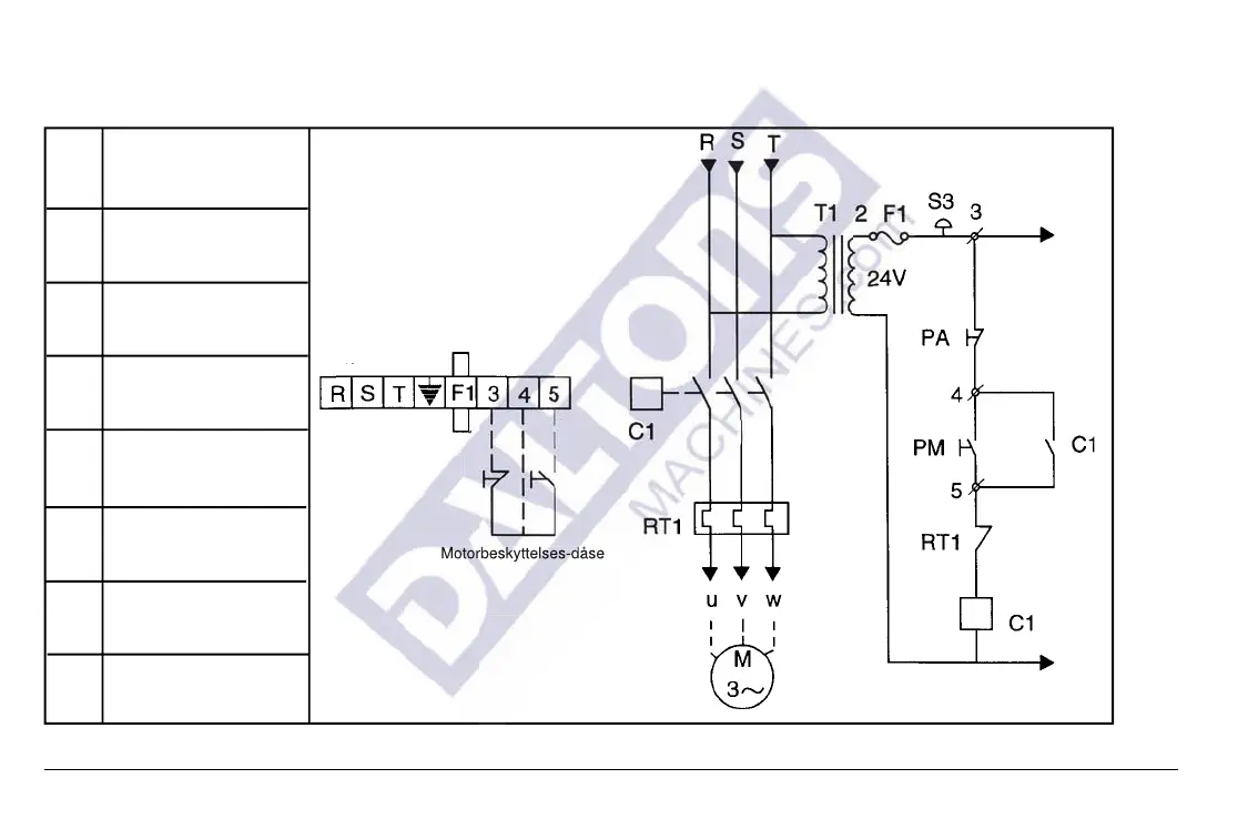
5-3 TREFASET MOTOR MOTORBESKYTTELSES-DÅSE
S3
PA
PM
C1
RT1
T1
F1
M
Motorbeskyttelses-dåse
LINJE
Klemrække
Nødknap
Stopknap
Startknap
Kontaktor
Termisk relæ
Transformer
Sikring
Motor
Motorbeskyttelses-dåse
Motorbeskyttelses-dåse

Table of Contents

Related product manuals