EasyManua.ls Logo

Maggi JUNIOR 640 - Dreiphasiger Motor - Kasten Motorabsicherung

Maggi JUNIOR 640
185 pages
Print Icon
To Next Page IconTo Next Page
To Next Page IconTo Next Page
To Previous Page IconTo Previous Page
To Previous Page IconTo Previous Page
Loading...
52
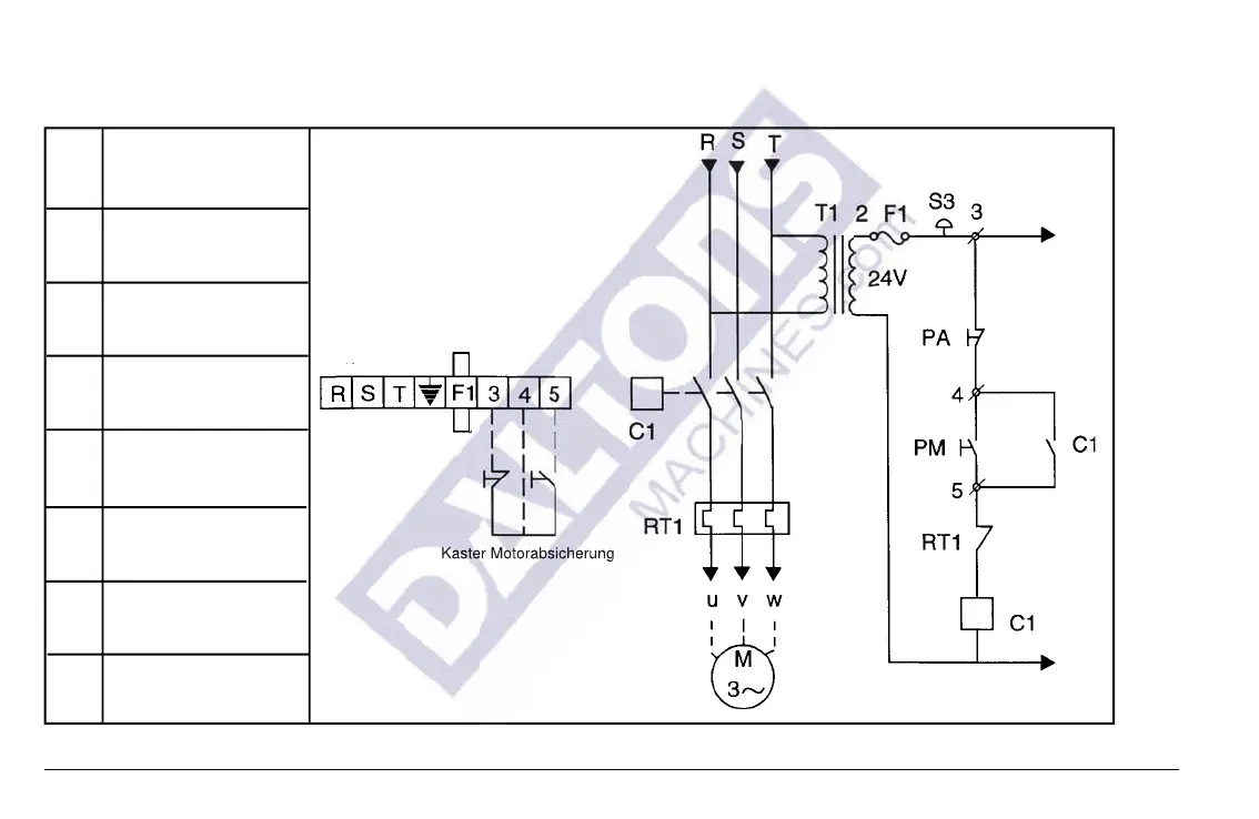
5-3 DREIPHASIGER MOTOR - KASTEN MOTORABSICHERUNG
S3
PA
PM
C1
RT1
T1
F1
M
Kaster Motorabsicherung
LINIE
Klemme
Notausschalter
Schalter Anhalten
Schalter Betrieb
Kontaktgeber
Thermisches Relais
Transformator
Sicherung
Motor
Kaster Motorabsicherung
Kaster Motorabsicherung

Table of Contents

Related product manuals