EasyManua.ls Logo

Megger MVCT - Polarity Test

Megger MVCT
159 pages
Print Icon
To Next Page IconTo Next Page
To Next Page IconTo Next Page
To Previous Page IconTo Previous Page
To Previous Page IconTo Previous Page
Loading...
18
The MVCT performs the ratio test by either selecting Ratio test in the Run All test configuration or using
the ratio test screen. User can also select manual Ratio test by selecting manual option and controlling
the secondary applied voltage.
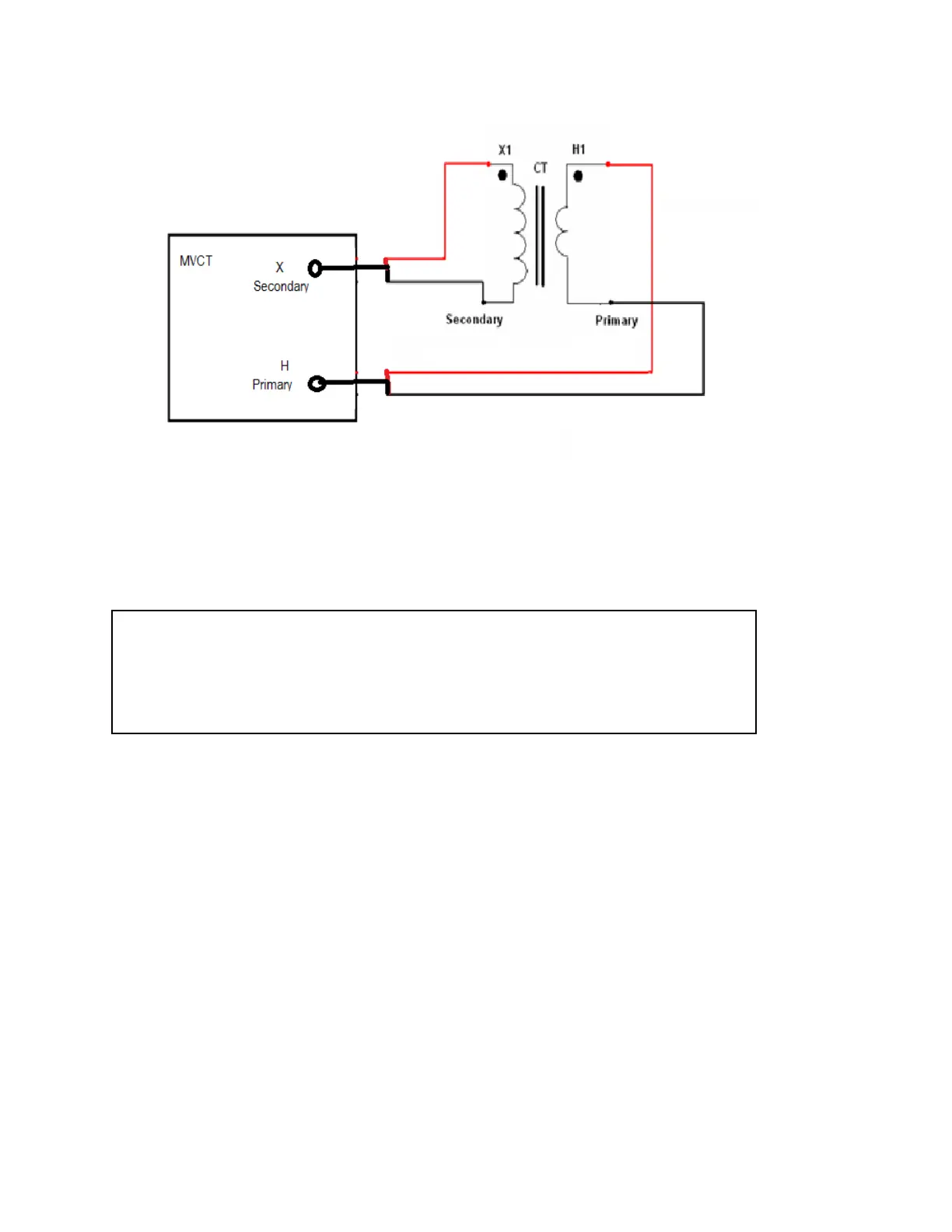
3.2.2 Polarity Test
The Polarity test proves that the predicted direction of secondary CT current (leaving) is correct for a
given direction of primary current (entering).
CAUTION
In the ratio test screen or the manual operation, do NOT apply the voltage high enough
to the secondary of CT that would cause the CT to saturate; otherwise the readings will
not be accurate.

Table of Contents

Related product manuals