EasyManua.ls Logo

Mircom TX3 Series - 6.1 Cabinet Installation

Mircom TX3 Series
119 pages
Print Icon
To Next Page IconTo Next Page
To Next Page IconTo Next Page
To Previous Page IconTo Previous Page
To Previous Page IconTo Previous Page
Loading...
92 (119) Telephone Access System Installation and Operation Manual Version 3.7
LT-969 Copyright January 2017
Elevator Restriction Unit Installation and Configuration
6.1 Elevator Restriction Cabinet Mechanical
Installation
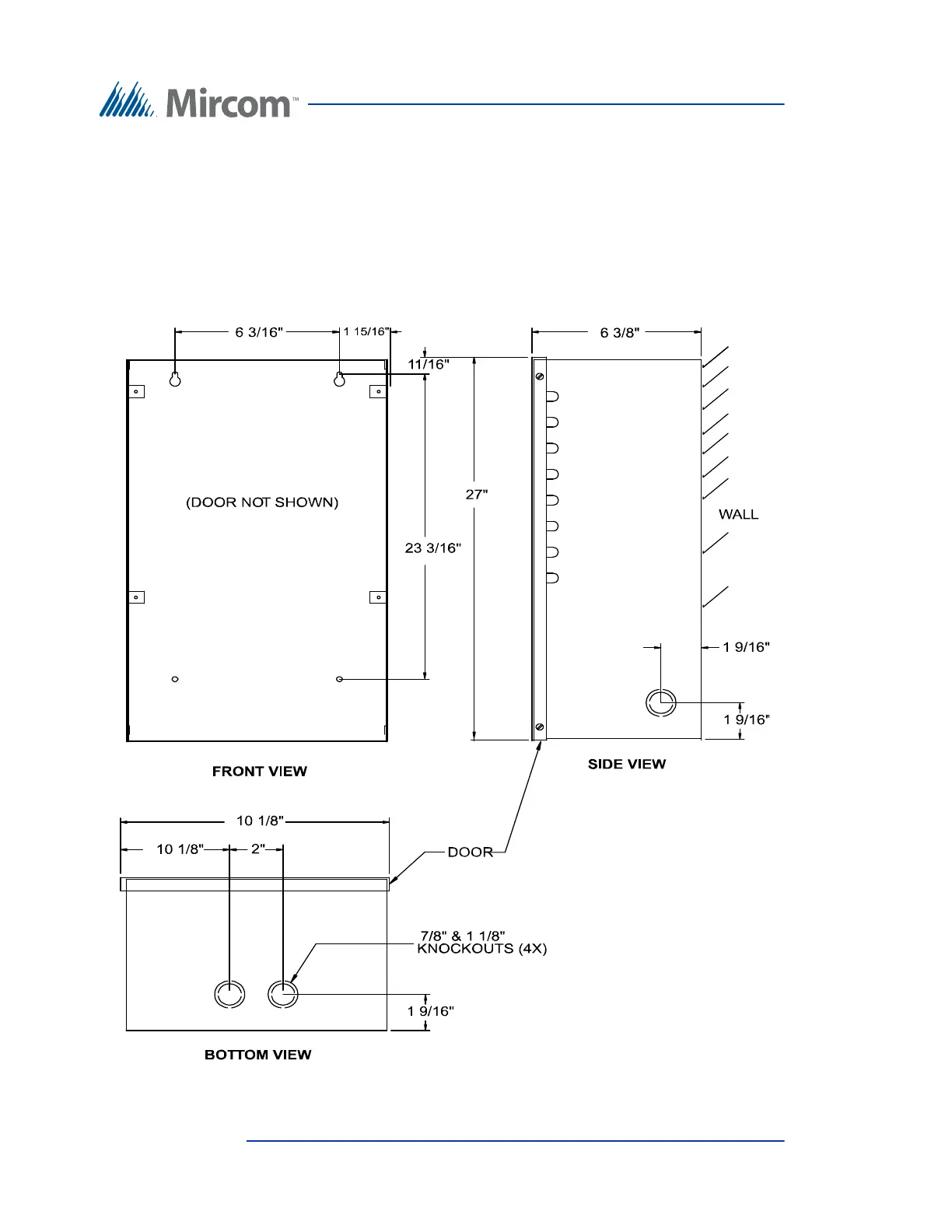
The Elevator Restriction cabinet contains the elevator access equipment and is
typically mounted in the electrical/telephone room of a building. The unit is
factory assembled in one cabinet size shown below.
The back cover is 10 1/8 inches wide by 27 inches long. The top two mounting
holes are 6 3/16 inches apart.
Figure 49. Elevator Relay Cabinet

Table of Contents

Other manuals for Mircom TX3 Series

Related product manuals