EasyManua.ls Logo

MR TAPCON 250 - Page 205

MR TAPCON 250
216 pages
Print Icon
To Next Page IconTo Next Page
To Next Page IconTo Next Page
To Previous Page IconTo Previous Page
To Previous Page IconTo Previous Page
Loading...
+
=
NO.
MODIFICATION
DATE
NAME
SHEET
6
5
4
3
2
1
7 8 9
10
11
12
D
C
B
A
E
F
G
H
DRAWING BY CAD
DO NOT MODIFY MANUALLY
Fuer diese technische Unterlage behalten wir uns gemaess
DIN 34 Abschnitt 2.1 und 2.2 alle Rechte vor.
STANDARD
VERIFIED
EXEC.
DATE
ORIGIN.
REPL.BY
SH.
REPL.
6
5
4
3
2
1
7 8 9
10
11
12
D
C
B
A
E
F
G
H
LANGUAGE:
PROJECT:
1
4
EN
TAPCON® 250 - PRO
22.11.2021
8704634_00
02
01
AP
/2.A6
/2.H6
/2.H6
/2.F6
/2.B6
/2.G6
/3.E9
/2.B6
/2.A5
/2.A5
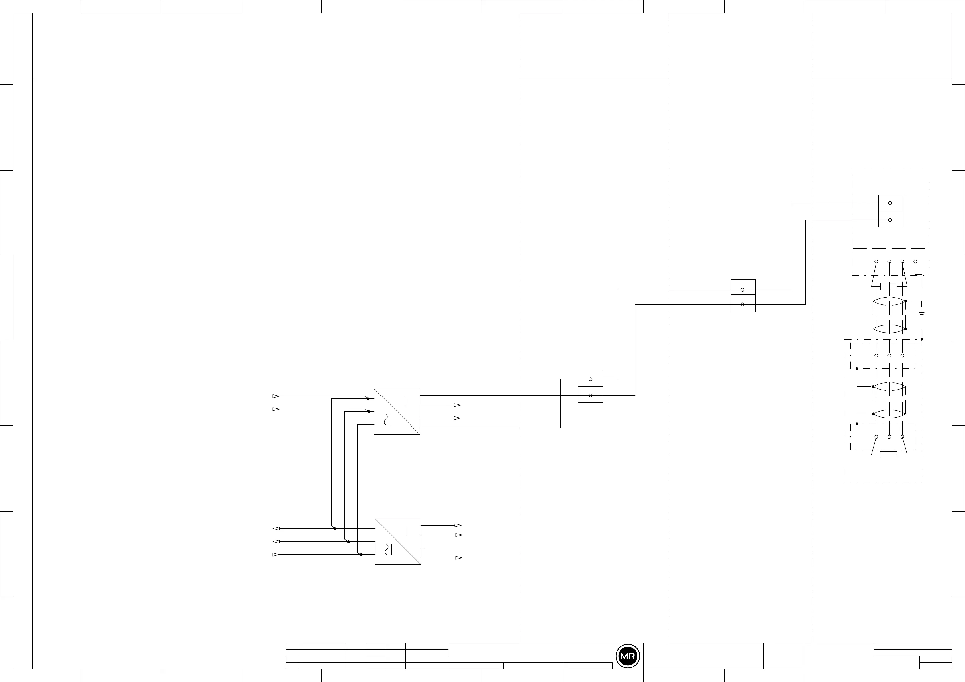
1
X1
4
1
X1
4
1
3
G1
G2
X101:1
X200.1:18
X200.1:17
X200.1:1
2
CAN1
3 1 4
X200.1:16
X2:9
X100.1:3
X100.1:2
X2:9
X2:8
CAN
BES 24V
(OPTIONAL)
PS 24V-12W
+
-
+
-
+
-
-
+
L
N
PE
L
N
PE
+
-
POWER SUPPLY
CAN
BUS
(II)
(III)
120
Ω
Ω
120

Table of Contents