EasyManua.ls Logo

Parker SPD-N Series - Frequecy Input;Output Connection

Parker SPD-N Series
192 pages
To Next Page IconTo Next Page
To Next Page IconTo Next Page
To Previous Page IconTo Previous Page
To Previous Page IconTo Previous Page
Loading...
Parker Hannifin S.p.A. Divisione S.B.C. user’s manual TWIN-N and SPD-N
35
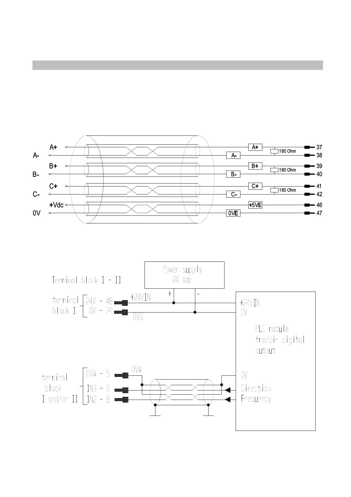
2.14 Frequecy input/output connection
The drive has the possibility to “read” two inputs in frequency.
The first input Encoder IN type. The input can receive signals in quadrature and frequency/sign,
(b42.5), from an incremental encoder to 5 Volt-DC as from standard LineDrive-RS422. Follow the
outline of connection for the reference of frequency, whether from an encoder or from an external
module:
The second input in frequency uses two digital inputs. The input can receive signals in quadrature
and frequency/sign, (b42.4), from IN2 and IN3 digital inputs to 24 Volt-DC. Follow the outline of
connection:

Table of Contents

Related product manuals