EasyManua.ls Logo

PCC D3400 - Page 270

Default Icon
335 pages
Print Icon
To Next Page IconTo Next Page
To Next Page IconTo Next Page
To Previous Page IconTo Previous Page
To Previous Page IconTo Previous Page
Loading...
POWER
CORD
POWER
SWITCH
6
J501
6
P501
r---
-----~------,
I
I
HEAl
SINK
11
HtAT
SINK
12
LOCK
SOLENOID!)
J204 J20B J207
1--
__
----'1'--->-~2....L._
___
_1_'i2
J212
(14)
POWER
C;UPPLY
CIRCUITS
I
l!!:
J202. I
~------------------~
I
I
I"
r----
I
MOTOR
SERVO
BOARD
J201
"-
(16)
I
CAP.
I
I
I
I
I
-li2
L.:..=.
J210
~I----~~------i
@
~:
POWER
SUPPLY
CHASSIS
J215
t---r....--------,
(9
(3) r.;-
,...=L.-
__
--j
3 J213
L.::..
DRIVE
MOTOR
CONTROL
J403.
J404~
(IIOV) (220V)
J402
tn---
BOARD
J401
~I-----;----'
f-=-I
* * J
(220V)
(ll0V)
r - -
L--~i-J
I
DRIVE
MOTOR
J
UNLOAD
CAPACITOR
C501
J206 J203
POSITION
TRANSDUCER
AND
VELOCITY
TRANSDUCER
J205
POSITIONER
COIL
o DENOTES NUMBER
OF
CONDUCTORS
D DENOTES
CONNECTOR
TYPE
(e.q.
3 PIN)
( ) DENOTES NUMBER
OF
SIGNALS
*
REFER
TO FIGURE 4 - 14 FOR
INPUT
LINE VOLTAGES
~
-I6
L-=-.
WRITE
PROTECT
SWITCHES
CARTRIDGE SWITCH
f61
JI09
Jl05
LOGIC
BOARD
J104
J106
Jl0l
Jl02
J114
~~
Jl08
Jl03
(12)
I
Jl07
~
P
®
~
L.:..=.
r---,
JI12
~>l------t--------..,
HEADS
r-T-T-T-'
I 0 I 1 I 2 I 3 I
I I I I I
L...L.L
LJ
\
1\
\
1l
J300 J30 1 J302 J303
J305
READIWRITE BOARD
J304
Jll0
Jll1
L?J
CONTROL
PANEL
SWITCHES
J504
J503
TEMP
COMP
BOARD
(200
TPI)
J501
I
CONTROL
PANEL
LAMPS
~
J502
J505
(3)
:D
THERMISTOR
ASSEMBLY
(200TP!)
UPPER
INDEX
(SECTOR) SENSOR
LOWER
INDEX
(PHASE)
SE
NSOR
1717
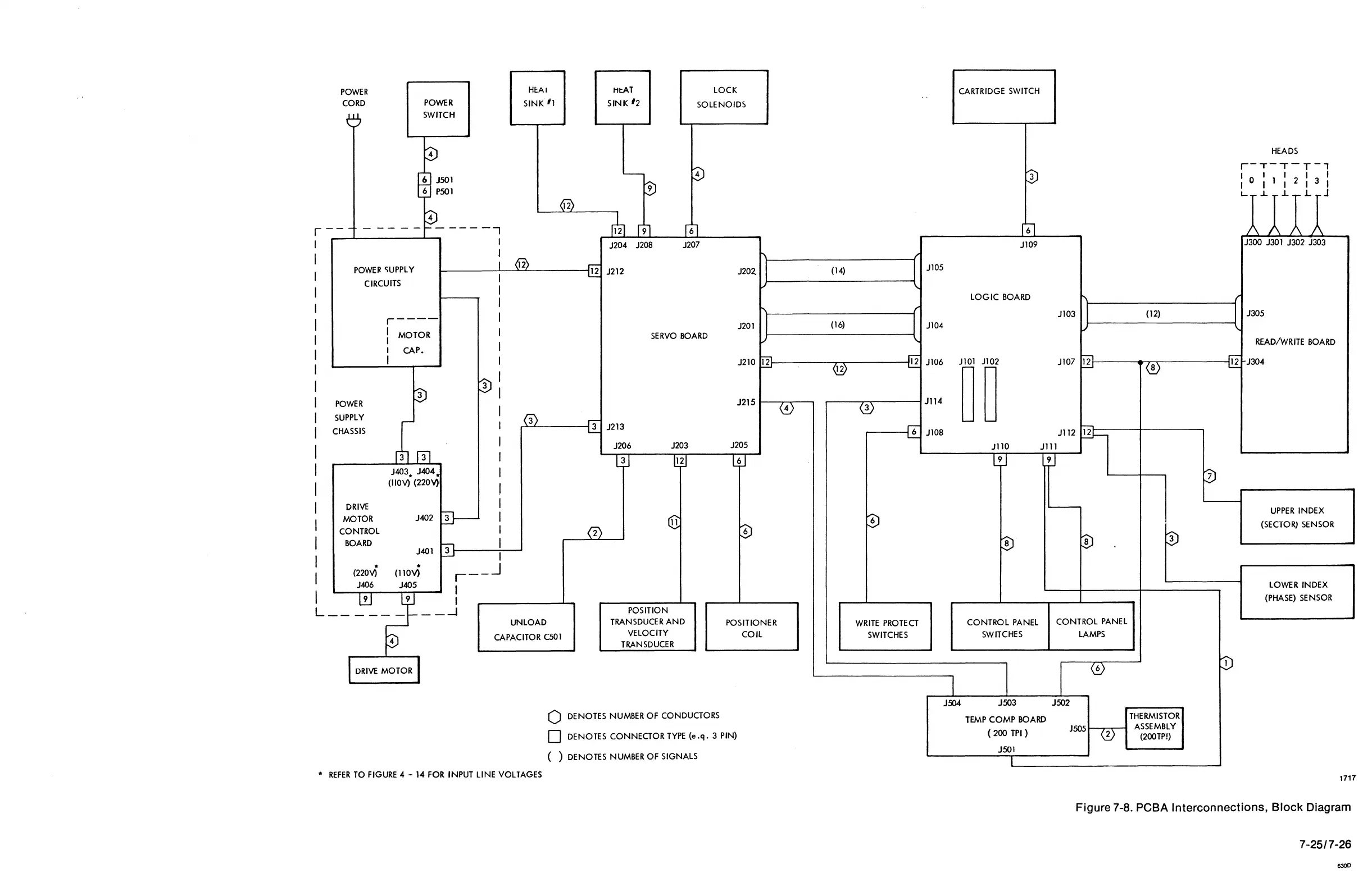
Figure
7-8. PCBA
Interconnections,
Block
Diagram
7-25/7-26
6300

Table of Contents