EasyManua.ls Logo

PCC D3400 - Page 273

Default Icon
335 pages
Print Icon
To Next Page IconTo Next Page
To Next Page IconTo Next Page
To Previous Page IconTo Previous Page
To Previous Page IconTo Previous Page
Loading...
D
c
B
A
8
o
WI
A50
REF
7
o
o
@)
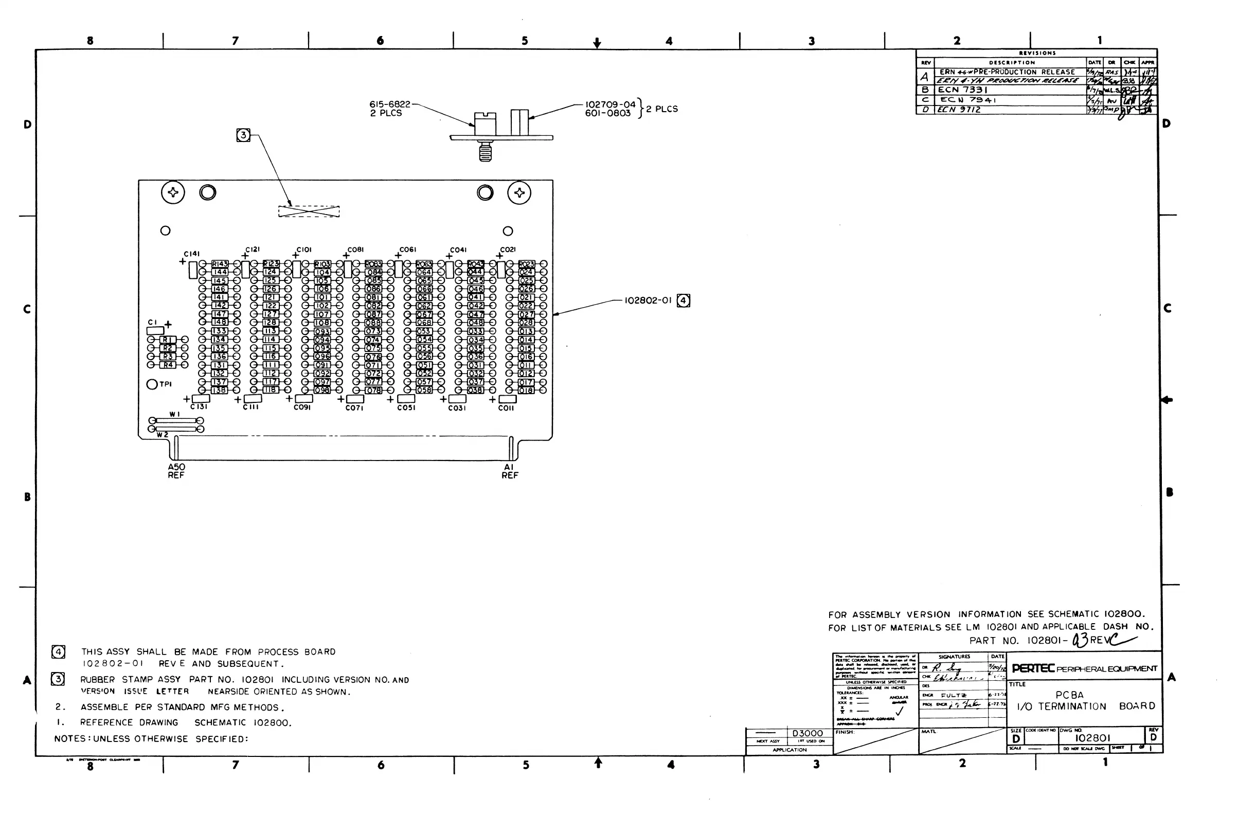
THIS ASSY
SHALL
BE MADE FROM PROCESS BOARD
102802
- a I
REV
E AND
SUBSEQUENT.
6 5
4
2 PLCS _ _
601-0803
615-6822~
~102709-04}2
PLCS
C=:=~;::====':===:J
o
o
AI
REF
102802-01
!3J
~
RUBBER
STAMP ASSY PART NO.
102801
INCLUDING
VERSION
NO.
AND
VE~S'O'i
ISSL'E
LETTER
NEARSIDE
ORIENTED
AS
SHOWN.
2.
ASSEMBLE
PER
STANDARD MFG
METHODS.
I.
REFERENCE
DRAWING
SCHEMATIC
102800.
NOTES:
UNLESS OTHERWISE
SPECIFIED:
7
6
5
..
3
03000
APPLICATION
3
2
1
a.VISIONS
OESCRIPTION
B
C
EC.W
7941
o
ECN
'712
FOR ASSEMBLY
VERSION
INFORMATION
SEE
SCHEMATIC
102800.
FOR
LIST
OF MATERIALS
SEE
LM
102801
AND
APPLICABLE DASH
NO.
PART
NO.
102801-
4.3RE~
n.
...
~_
"'-'-
..
rt.
~
.,
SIGNATURES
:'~~~",,='~.-~
~
1-----".---,..---f:::-4
D
c
:::::=-:...~:.==
..
~"'"
PERl ec
PERlA-iERALEQUIPMENT
..
fIf~~
OTHlAWISoE
SPfClfllO
A
DIUlNSION1
AIU
IN
I~
TCl.I:AANClS:
"",,_
lOOt"
_
x
11'''-
NQJlAO
-
J
_
...
_._
.......
_._,QfI_~
...
Pl
--
PCBA
I/O
TERMINATION BOARD
ItlV
o
2

Table of Contents