EasyManua.ls Logo

PCC D3400 - Page 277

Default Icon
335 pages
Print Icon
To Next Page IconTo Next Page
To Next Page IconTo Next Page
To Previous Page IconTo Previous Page
To Previous Page IconTo Previous Page
Loading...
G
F
E
o
c
B
18
17
FROM
POWER
SlPPLY
16
15
14
13
J208
(K~4.5)
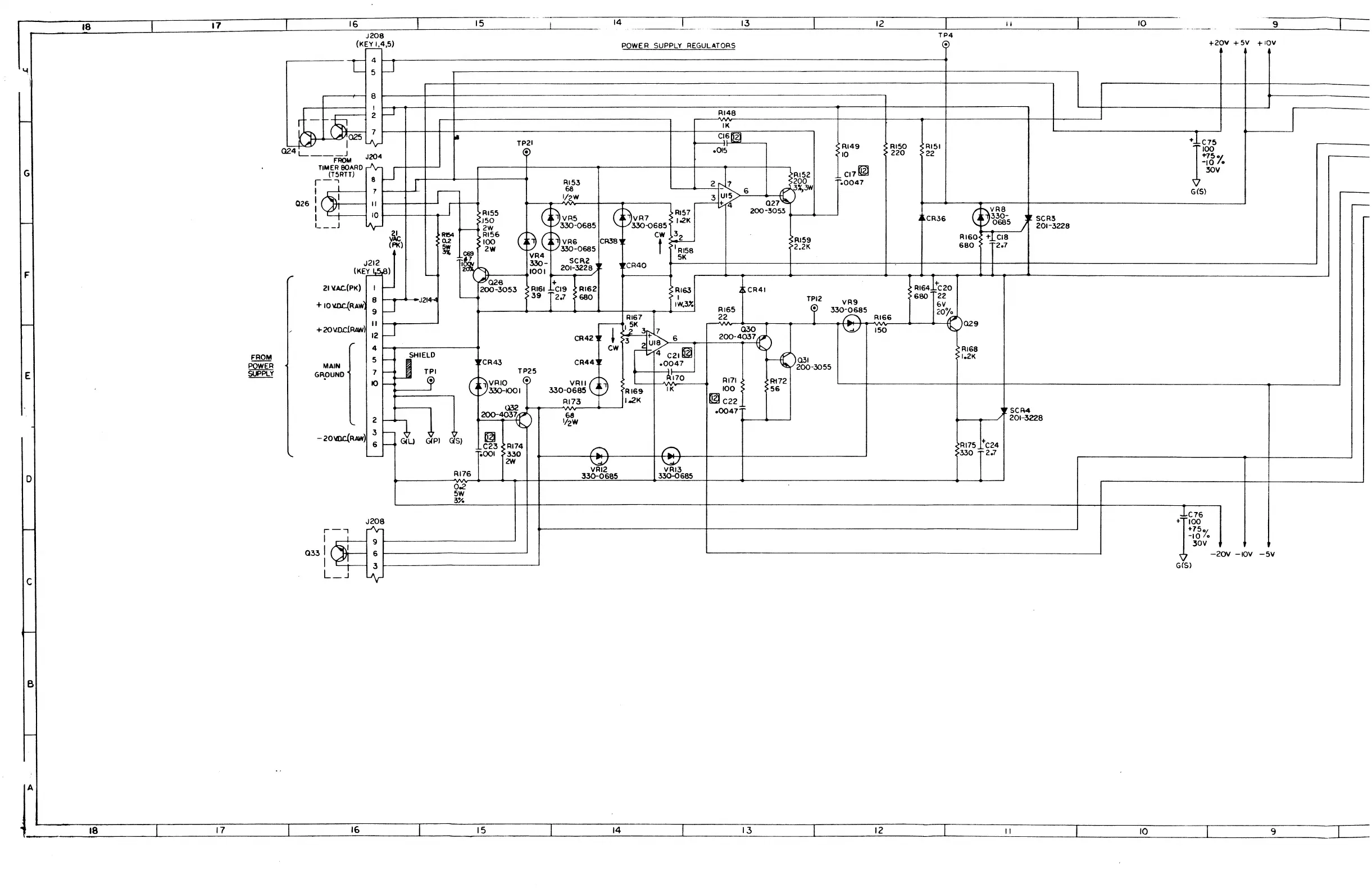
POWER SUPPLY REGULATORS
"T
4
U
5
8
02
l5~&i~
RI48
IK
025
7
~
~6n2
4 I
Uy.
TPZI
RI49
L
__
~
J204
(0)
.015
10
TIMER
BOARD
i"v
W
(T5RTT)
2~
~r
C17!§]
,--,
8
r
RI53
200
.0047
I
~~
68
3%,3W
:c)1
7
6
QZ6
1/2
W
~'5
Q27~
1
/I
II
CD;
RI57 +
'l
RI55
200-3053
I
10
l,y-
J50
GD;VR5
VR7
I.2K
'
___
1
2w
D
GD~~0685
.3.30-0685
>--
V~
R154
RI56
(
CW
3
2
a.z
100
CR.38
t
~
RI59
(PK)
5W
r~
2.
.330-0685
'R158
2.2K
31,
VR4
5K
J212
'~
.3.30-
SCR2
CR40
(KE~rB)
1001
201-3228
r
'--
~02£
21
1lA.C.(PK)
I
f-
+
200-3053
RI61
CI9
RI62
RI6.3
CR41
8
JZI4-"
L-..-
39
2.7
680
I
TPIZ
+
10
'lOC.{RAW
U
IW
.3Y.
1
VR9
9
RI65
330
a
5
fj
22
+
2OIlO.c!RAW)
II
U
r---
,
5K
2~~~,
\d..J /
12
CR42 ,
..
7
3
UI8
6
4
CW
;.r
C21@
5
~
LfIELO
CR4.3
CR44
.0047
0.31
MAIN
200-.3055
GRpUND
7
f--
T~'
TPZ5
.~·!70
10
f--
(
~~RIO
0
VRII
C
9
RI71
Rl72
330-1001 I
3.30-0685
RI69
IK
100
56
RI73
I..2K
@lc22
1
Q32
.0047
200-40.37;?
68
'-
2
f--
'l:::::.
'I2
W
-
ZOIlDC.{RAW)
3
f--
~
6
f--
GlU
GIS)
r~'
RI74
L:\.
~
-
330
ZW
~
~
RI76
330-0685
3.30-0685
0.2
5W
3X
~8
'~9
Q331
I 6
I 3
L_J
12
II
10
9
TP4
.
+20'1
+ 5V +
10V
I
+4:C75
RI50
RI51
Z20
22
r
+75y,
-10
0
30'1
G(Sl
r--
r--
(
~~R8
330-
CR36 SCR3
r-
0685
I
201-3228
RI60
+lC18
680
2.7
RI64
+C20
680
22
6V
20~
RI66
It:::.
029
150
RIG8
I.ZK
SC~
RI751c24
201-3228
330
1
2.7
rriJ
~rg%
30'1
-2OY
-10'1
-5'1
G(S)
JAL-------~18o-------~---------~17,---------,--------~1~6---------r--------~15~--------~--------~,4.-------~,-------~,3~--------,-------~,~2--------~--------~,~,---------.--------~10~--------,-------------------.----

Table of Contents