EasyManua.ls Logo

PCC D3400 - Page 64

Default Icon
335 pages
Print Icon
To Next Page IconTo Next Page
To Next Page IconTo Next Page
To Previous Page IconTo Previous Page
To Previous Page IconTo Previous Page
Loading...
t
N
CQNTROll
EM
.---.
INTERFACE
[RMINATION/
I\,sy-Ct-IAIN
..
---+
D
I
NTERfACE
r-
'--
,--
'--
f------.
READ/
mllE/
(RASE
HEADS
1----
J501
J504
TEMPERATt.aE
FRONT
PANEL
FRONT PANEl
SWITCHES
INDICATORS
COMPENSATION
LOwn
WRITE
J505
PCIA
UPPER
PROTECT
I.
RUN
(200
IPI)
SECTOR
SECTOR
SWITCHES
I.
IUN
STOP
2.
READY
TEMPERATURE
V
SENSOR
SENSOR
2.
UNII
SElECT
3.
SAFE
SENSORS
...
PROTECT
1200
TPI)
.t
J
')()2
I+--------
J
5.
POWER
ON
JSOJ
r--
Jl08
JIIO
Jill
Jl07
JII4
JlI2
TIMING
AND
CONTROL
JlO4
J201
JlOI
-,
I
f4~OWER
CLEAR
AND
M010R
CONTROL
I
I.
CQtHROl
lOGIC
JI05
J202
I
peBA
2.
SECTOII
EI
fCIRONICS
PCBA
I
LOGIC
3.
SPINDlE
SPEED
CONTaOl
SERVO
I
ELECTRONICS
1---_.
REGUlAJEO
DC
poWER
1210
I
1106
I
4.
CONFIGURATION
COtHROL
I
JUMPER
ASSEMBliES
_J
1102
------.
J206
J IOJ
--
...
J212
J213
HOI
Jl09
DATA
At.JD
REGlllAT£D
CONTROL
DC
POWER
JJ05
JJ04
JJOO
EMERGENCY
(ARTRIDGE
UNREGUlAHD
SWITCH
UNLOAD
DC
J301
PCIA
CAPACITOR
READ!
1.
HEAD
SELECT
WRITE
J102
2.
WRITE
ElECTRONICS
3.
READ
ELECTkONI(S
1303
AC
LINE
J~OI
INPuT PowER
POWUI
SUPPl Y
ASSEM
....
V
PCBA
M010R
CONTROL
ON/Off
DOOR
INTERLOCKS
AND
CARTRIDGE
LOCK SOLENOID
1215
J107
I.
POSITIONER
SERVO
ELECTRONICS
2.
SPINDLE
SPEW ElECTRONICS
1
•.
IOV, . 5V VOLTAGE
REGULATORS
...
POWER
ClEAR
flEORONICS
5.
BRUSH
MOTOR CONTROL
ITOP
LOAD
ONl
VI
COlli
6.
[MERGHKY UNLOAD
nos
RElAY
,.-,~.
Tv
VOoCI
J20B
HEAT
SINK 1
+5VDC, -IOVDC
REG.
POWER
TRANSISTORS
ANDP
QSHlor
PQSITlON[R
lS
SIGNA
no]
4--·
J204
HEAT
SINK I
SERVO
POWU
AMPtAND
-IOVOC
REG, POWfR
TRANSISTORS
~~I--
Rfl LIN[
[
filTER
--
POWER
I.
AC
TO U ..... EGUlATED
J4O]
--
SWITCH
120V
AND HOvOC.
J404
SPINOH
2.
SPINDL
E MOTOR
J"02
J405
DRIVE
START
CAPACITOR
H06
MOTOR
'--~
1109
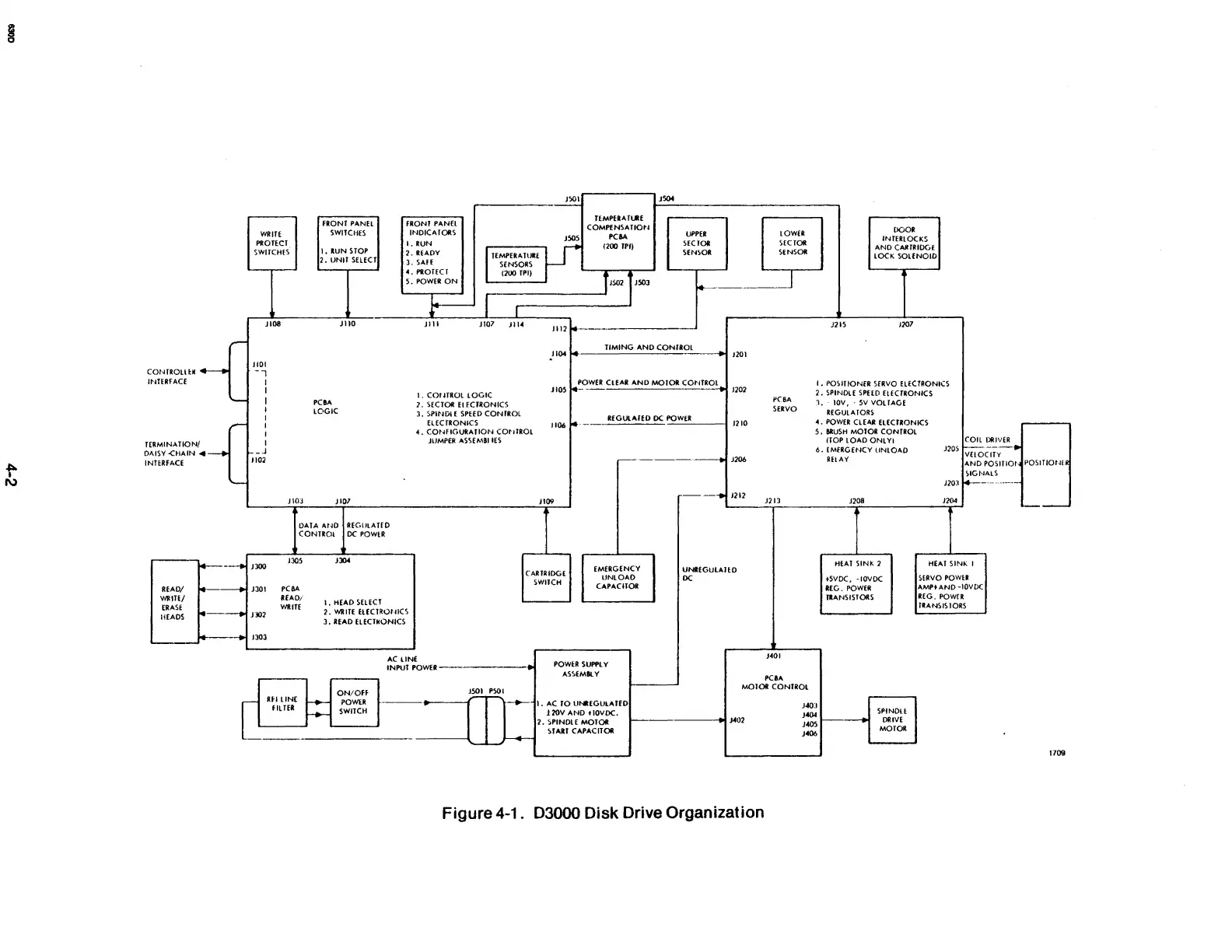
Figure 4-1. 03000 Disk Drive Organization

Table of Contents