EasyManua.ls Logo

PCC D3400 - Page 97

Default Icon
335 pages
Print Icon
To Next Page IconTo Next Page
To Next Page IconTo Next Page
To Previous Page IconTo Previous Page
To Previous Page IconTo Previous Page
Loading...
-------
INPUT
ADDRESS
EMERGENCY
UNLOAD
ENABLE
(LEUEG)
~.
ADDRESS
I b
DIFFERENCE
LINES
NLADE
,.....,
NLAD7G
NLAD6G
NLAD5G
VELOCITY
POLARITY
TRANSISTm
NLAD4G
FUNCTION
SELECT
SWITCH
NLAD3G
GENERATOR
NETWORK
NLAD2<?
NLAD1G
NLADOG
I
I
'-'
I
I
I
I
I
VELOCITY
REFERENa
ENABLE
(NLVREG)
FORWARD
DIRECTION
(LFDXO
EXTERNAL
INPUT
J
1
TEST
POINT
I
I
MODE
CONTROL
I
CIRCUITS
POSITK>N
SERVO
OFFSETS
I
I
ADJUST
CONTROL
TRACK-OFFSET
PLUS
(NLTOPG)
LOGIC
TItACLoJFSET
MINUS
(NLTOMG)
TRACK
OFFSETS
I I
FOCWARD
SLOW
MODE
(NLFSMI)
FORWARD
SLOW,
I I
REVERSE
SLOW,
REVERSE
SLOW
MODE
(NLRSMI)
REVERSE
SLOW
I
I
AND
r
TeMp
cOMP
KBA
-1
HEADS
RETRACTED
I
I
I
I
TEMPERA
nJRE
I
I
I I
I
I
I
COMPENSATION
I
I
(200
TPI)
I
I
I I
L
___
-1:
____
.1
TRANSISTOR
POSITION
MODE
(LPMXG)
SWITCH
I I
I
I
POSITION
REFERENa
CLOCK
(SPRCG)
X
+0
SIGNAL
POSITION
QUADRATURE
CLOCK
(SPQCG)
ANALOG
X
+90
SIGNAL
HEADS
RETRACTED
(SHRXG)
TO
DIGITAL
CONVERTERS
HEADS
RETRACTED
SIGNAL
POSITION
TRANSDUCER
INDEX
(SPTlG)
INDEX
SIGNAL
I
I
I
\.
POSITION
TRANSDUCER
FAILURE
(SPTFG)
Y
I
I
POSITION
TRANSDUCER
SIGNAL
CONDITIONERS
I
I
I
__
_ _
___
~~C~
I
SERVO
j>~
_
POSITIONER
SERVO
ANALOG
CIRCUITRY
SUMMING
AMPLIFIER
I
POSITION
TRANSDUaR
AMPLIFIERS
J
I
I
,
I
I
I
I
EMERGENCY
UNLOAD
EMERGENCY
RE
LA
Y
DRIVE
R
UNLOAD
SYSTEM
I
I
I
I
I
(
==--
POWER
AMPLIFIER
...,
...,
I
EMERGENCY
UNLOAD
I
RELAY
I
I
I
CURRENT
SENSOR
I
I
VELOCITY
I
TRANSDUaR
I
AMPLIFIER
I
I
,
X+O
I
X
+90
I
HEADS-RETRACTED
INDEX
I
I
lAMP
DRIVER
I
AND
LAMP
I
FAILURE
DETECTOR
I
I
---
--
---
'""
-
---
I
I
I
EMERGENCY
UNLOAD
CAPACITOR
I
I
I
I
BASE
ASSE~L_Y
__
--
1---
--
I
I
POSITIONER COIL
I
AND MOVING
MASS
I
I
I
I
I
I
VELOCITY
:
TRANSDUaR
I
I
I
POSITION
TRANSDUaR
I
I
1
I
I
I
-
-
-
-,
I
I
I
I
I
I
I
I
I
I
---I
I
I
I
I
I
-~
___________
J I
POSITIONERASSE_M_B_LY
______
_
1718
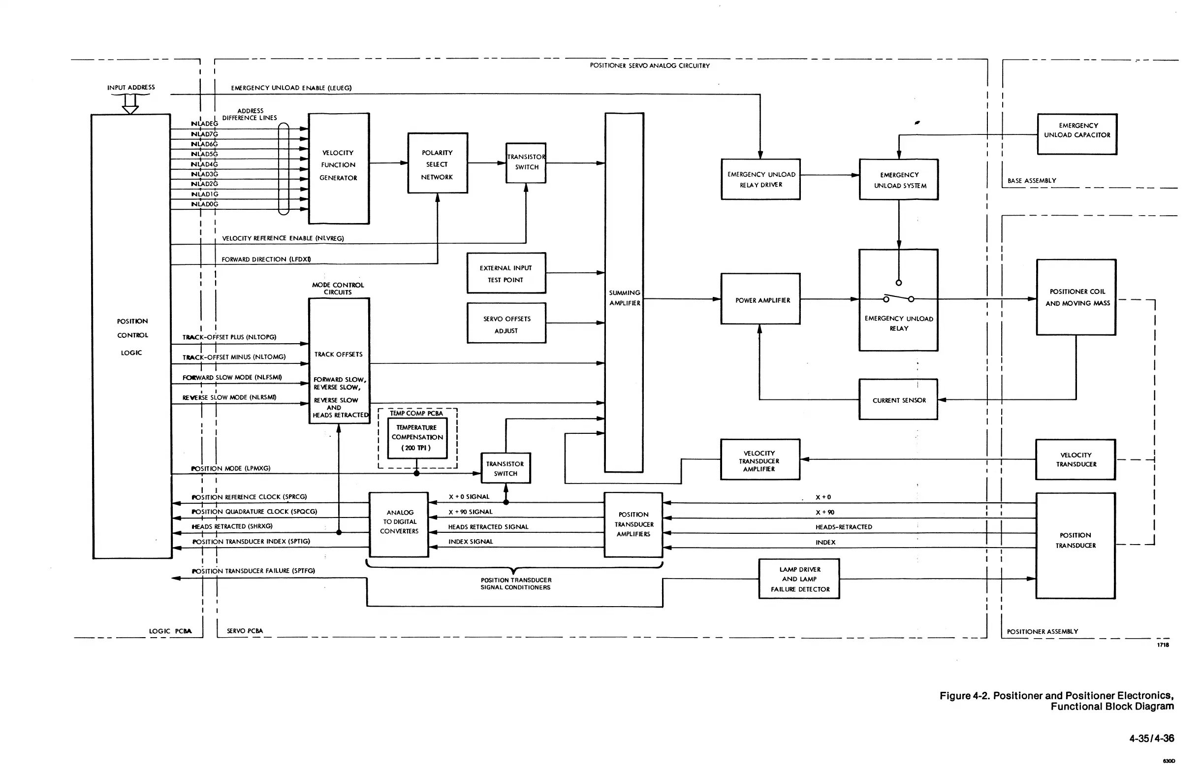
Figure 4-2. Positioner and Positioner Electronics,
Functional Block
Diagram
4-35/4-36
6300

Table of Contents