EasyManua.ls Logo

RFL Electronics RFL 9660 - Page 132

Default Icon
312 pages
Print Icon
To Next Page IconTo Next Page
To Next Page IconTo Next Page
To Previous Page IconTo Previous Page
To Previous Page IconTo Previous Page
Loading...
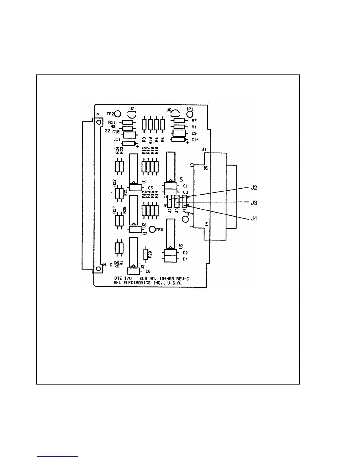
Figure 8-4. Programmable jumpers, Direct Digital I/O module.
RFL 9660 RFL Electronics Inc.
April 24, 2007 8-7 (973) 334-3100

Table of Contents