EasyManua.ls Logo

RFL Electronics RFL 9660 - Page 196

Default Icon
312 pages
Print Icon
To Next Page IconTo Next Page
To Next Page IconTo Next Page
To Previous Page IconTo Previous Page
To Previous Page IconTo Previous Page
Loading...
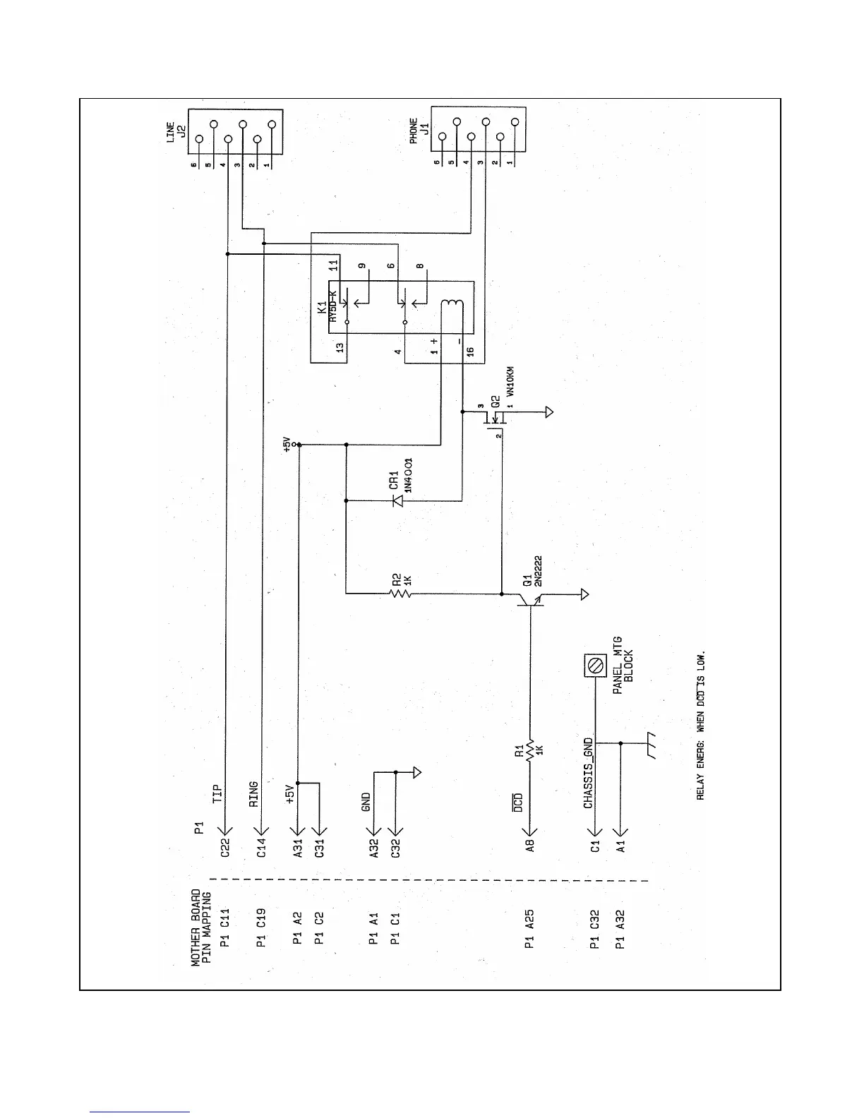
Figure 14-6. Schematic, RFL 9660 Modem I/O (Assembly No. 104860-1; Schematic No. C-104864-1, Rev. B)
RFL 9660 RFL Electronics Inc.
April 24, 2007 14-15 (973) 334-3100

Table of Contents