Home
RFL Electronics
Switch
RFL 9660
Page 213
RFL Electronics RFL 9660 - Page 213
312 pages
Manual
Save Page as PDF
To Next Page
To Next Page
To Previous Page
To Previous Page
Loading...
9660
RFL
Electronics
Inc.
14-35 (14-36 Blank) (973) 334-3100
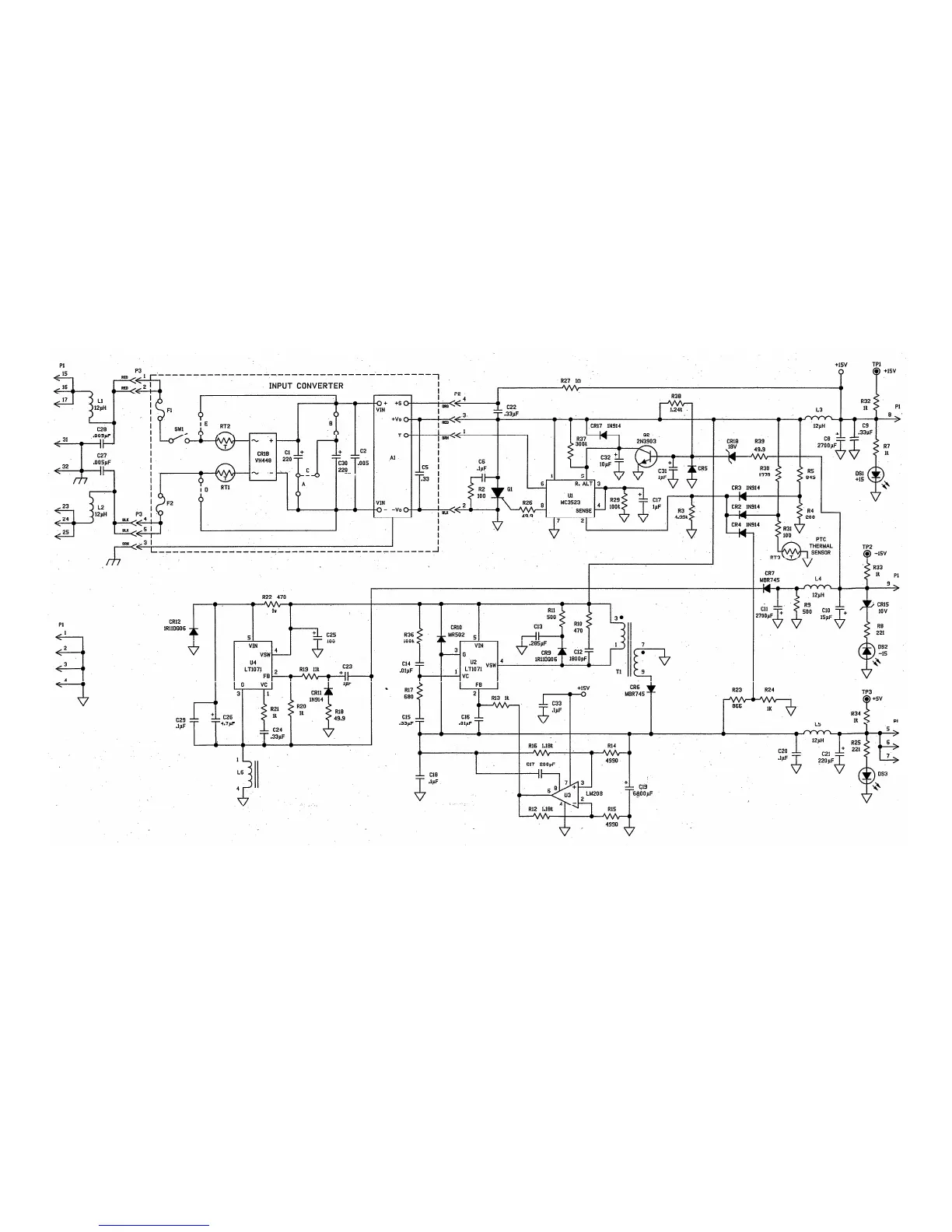
Figure 14-12. Schematic ac-input power supply modules,
For RFL 9660 Digital Switch (Assembly No. 101975-1;
(Schematic No. D-101974-3, Rev B,
RFL
April 24, 2007
212
214
Table of Contents
Main Page
Default Chapter
5
Table of Contents
5
RFL 9660 Digital Switch
15
Rear View, RFL 9660 Digital Switch
17
Typical Application, RFL 9660 Digital Switch
24
Section 2. INSTALLATION
25
Introduction
25
Mounting
26
Mounting Dimensions, RFL 9660 Digital Switch
27
Alarm, Remote Disconnect, Ground, and Power Connections
28
RFL 9660 Alarm, Remote Disconnect, and Power Connections (DC-Powered Units)
29
RFL 9660 Alarm, Remote Disconnect, and Power Connections (Ac-Powered Units)
30
Two-Wire Telephone Connections, RFL 9660 Digital Switch
31
Telephone Connections
31
Terminal Assignments for PORT Connectors on RFL 9660 Digital Switch
32
Rs-232 Port Connections
32
Terminal Assignments for Direct Digital Connector on RFL 9660 Digital Switch
33
Connections to Direct Digital Interface
33
Fiber Optic Remote Mounting Dimensions
34
Fiber Optic Connections between Master and Remotes in Fiber Optic Ring
35
Power Connections between Three Fiber Optic Remotes at the same Site
36
System Expansion
37
DIP Switch Settings for Fiber Optic Remote Module Addressing
38
Section 3. SWITCH and PORT CONFIGURATION 3.1 INTRODUCTION
40
Controls and Indicators, RFL 9660 Digital Switch
41
Construction Details for Cable between Local Terminal and LOCAL Connector on RFL 9660 Digital Switch
42
Turning on the Rfl 9660
42
Master Reset
43
Relationship between Commands Used for Switch and Port Configuration
45
Setting the Site ID
46
Setting Passwords
47
Typical Configuration Command List Display
48
Typical List of Current Selections with Passwords Entered
49
Adding Callback Strings to Passwords
50
Typical List of Current Selections with Passwords and Callback Strings Entered
52
Setting Port Configurations
53
Typical Port Information Display, Showing Factory Default Values
53
Typical Port Information Display with List of Selections
54
Setting the Port Label
55
Setting the Port Password
56
Setting Callout Functions
58
Saving Your Port Configuration Settings
62
Using the Rfl 9660 as a Super-User
63
Section 4. USING the SWITCH
64
Introduction
64
Setting up the Modem
64
Using Microsoft Windows to Load and Run Applications
64
Using the Microsoft Windows Terminal Emulator
66
Microsoft Windows "Terminal Emulator" Window
66
Terminal Emulation" Dialog Box for Microsoft Windows Terminal Emulator
66
Terminal Preferences" Dialog Box for Microsoft Windows Terminal Emulator
67
Communications" Dialog Box for Microsoft Windows Terminal Emulator
68
Modem Commands" Dialog Box for Microsoft Windows Terminal Emulator
69
Windows 95 Hyperterminal Setup for Use with Rfl 9660 Digital Switch
70
Hyperterminal Window
71
Connection Description Window
71
Phone Number Window
72
Connect Window
73
Modem Properties/General Window
74
Modem Properties/Connection Window
75
Advanced Connection Settings Window
76
Modem Properties/Options Window
77
Properties/Settings Window
78
Terminal Settings Window
79
ASCII Setup Window
79
Connect Window
80
Accessing the Rfl 9660
81
Remote Access Using the Microsoft Windows Terminal Emulator
81
Typical General Access Command List Display
83
Remote Access Using a DOS-Based Terminal Emulator
85
Typical General Access Command List Display
86
Typical Port Summary Table
87
Locally Accessing the RFL 9660
88
Typical General Access Command List Display
89
Typical Port Summary Table
90
General Access Commands
91
Typical General Access Command List Display
91
Relationship between General Access Commands
92
Esc - Abort Command
93
H - Display Command List
93
D - Run Diagnostics
93
I- Port Information
93
Q - Quit Session
95
Port #/Label - PORT SELECTION
95
Deselecting a Port
96
Connecting the Local and Modem Ports
97
Section 5. CONFIGURATION COMMANDS
98
Introduction
98
Accessing the Rfl 9660 as a Super-User
98
Super-User Commands
98
H - Help
99
P - Program Port
99
Typical Super-User Command List Display
99
Relationships between Super-User Commands
100
Typical Port Information Display, Showing Factory Default Values
101
A - Label Port
102
Typical Port Information Display with List of Selections
102
B - Call Request
103
C - Call out
103
D - Password
103
E - Call String
104
F - Modem String
105
G - Remote String
106
H - Port String
106
I - Port Priority
106
J - Local Port DTR
107
K - Local Flow Control (XON/XOFF)
107
L - Port Flow Control
107
M - Communications Parameters
108
Q - Quit
108
C - Configure the Switch
109
Typical Configuration Command List Display
109
Configuration Setting Worksheet, RFL 9660 Digital Switch
110
PP Nn - Period Awaiting Password
111
PA Nn - Silence before Deselect Code
111
PB Nn - Silence after Deselect Code
111
PT Nnnn - Inactive Period, Port Selected
112
PM Nnnn - Inactive Period, Menu Mode
112
CC XXX - Port Deselect Code
113
CB N X
113
PW N X
114
CM X - Message Format
114
CT X - Enable CCITT Modem Sequence
115
CE X -Password Enable
115
CS - Store Changes
115
CA X - Enable Port Selection by Number
116
Q - Quit Programming Mode Without Saving Changes
116
S - Show Current Selections
116
R - Reset to Factory Default
117
Typical List of Current Selections
117
S - Save Changes
118
R - Reset All Port Parameters to Default
118
U - Update Hardware Configuration
119
Typical Port Configuration Display
119
Section 6. STATUS and ERROR CODES
120
Section 7. COMMAND LANGUAGE
122
B - Short-Form Response
122
F - Verbose Ascii
122
Short-Form Responses and Long-Form Equivalents
123
Long-Form Responses and Short-Form Equivalents
124
Section 8. SPECIAL JUMPER and DIP SWITCH SETTINGS
126
Introduction
126
Cpu Module
126
Programmable Jumpers and DIP Switches, CPU Module
127
DIP Switch Settings for Local Port Setup
127
DIP Switch Settings for Modem Port Setup
128
DIP Switch Settings for Direct Digital Port Setup
128
Modem Module
130
Device Port Module
131
Section 9. FIBER OPTIC SET-UP INFORMATION
134
Introduction
134
Fiber Optic Master I/O Module
134
Programmable DIP Switches and Indicators, Fiber Optic Master I/O Module
135
Fiber Optic Remote Module
136
Programmable DIP Switches and Indicators, Fiber Optic Remote Module
136
DIP Switch Settings for Fiber Optic Remote Module Addressing
137
Section 10. MAINTENANCE
138
Introduction
138
Fuse Replacement
138
Power Supply Fuse Replacement
138
I/O Module Fuse Replacement
140
Fiber Optic Remote Module Fuse Replacement
141
Fuse Replacement Data, RFL 9660 Fiber Optic Remote Modules
141
Using the Module Removal Tool
143
Diagnostics
144
Typical Diagnostic Test Display
144
How to Arrange for Service
145
Section 11. GOVERNMENT REGULATIONS
146
FCC (United States)
146
DOC (Canada)
147
Section 12. PORT ASSIGNMENTS
148
Device Port Totals and Port Numbers, RFL 9660 Digital Switch
148
Section 13. MODEM "AT" COMMANDS and "S" REGISTERS
154
Introduction
154
V.92 Commands
157
S-Registers
179
Result Codes
182
Section 14. PARTS LISTS and SCHEMATICS
184
Replaceable Parts, RFL 96 CPU Central Processor (CPU) Module
186
Component Locator Drawing, RFL 96 CPU Central Processor (CPU) Module
189
Replaceable Parts, RFL 9660 Modem I/O
195
Replaceable Parts, RFL 96 DTE I/O Direct Digital I/O Module
197
Schematic, RFL 96 DTE I/O Direct Digital I/O Module
200
Replaceable Parts, DC-Input Power Supply Modules for RFL 9660 Digital Switch
201
Component Locator Drawings, DC-Input Power Supply Modules for RFL 9660 Digital Switch
205
Replaceable Parts, Ac-Input Power Supply Module for RFL 9660 Digital Switch
209
Replaceable Parts, RFL 96 PWR/ALARM I/O DC-Input Power/Alarm I/O Module
214
Replaceable Parts, RFL 96 AC/ALARM I/O Ac-Input Power/Alarm I/O Module
217
Replaceable Parts, RFL 96 MSM I/O RS-232 Device Port Module
220
Component Locator Drawing, RFL 96 MSM I/O RS-232 Device Port Module
221
Replaceable Parts, Fiber Optic Master I/O Module for RFL 9660 Digital Switch
224
Component Locator Drawing, Fiber Optic Master I/O Module for RFL 9660 Digital Switch
226
Schematic, Fiber Optic Master I/O Module for RFL 9660 Digital Switch
227
Replaceable Parts, Motherboard for RFL 9660 Digital Switch
228
Component Locator Drawing, Motherboard for RFL 9660 Digital Switch
229
Schematic, Motherboard for RFL 9660 Digital Switch
230
Replaceable Parts, Fiber Optic Remote Module Transceiver Board
231
Component Locator Drawing, Fiber Optic Remote Module Transceiver Board
233
Schematic, Fiber Optic Remote Module Transceiver Board
235
Replaceable Parts, Fiber Optic Remote Module Power Supply Board
236
Component Locator Drawing, Fiber Optic Remote Module Power Supply Board
237
Schematic, Fiber Optic Remote Module Power Supply Board
238
Section 15. INDEX
239
Modem "AT" Commands
240
Section 16. APPLICATION NOTES
243