EasyManua.ls Logo

Seismic Source DAQlink III - Daqlink Panel Wiring - Version 2

Seismic Source DAQlink III
130 pages
Print Icon
To Next Page IconTo Next Page
To Next Page IconTo Next Page
To Previous Page IconTo Previous Page
To Previous Page IconTo Previous Page
Loading...
128 User’s Manual
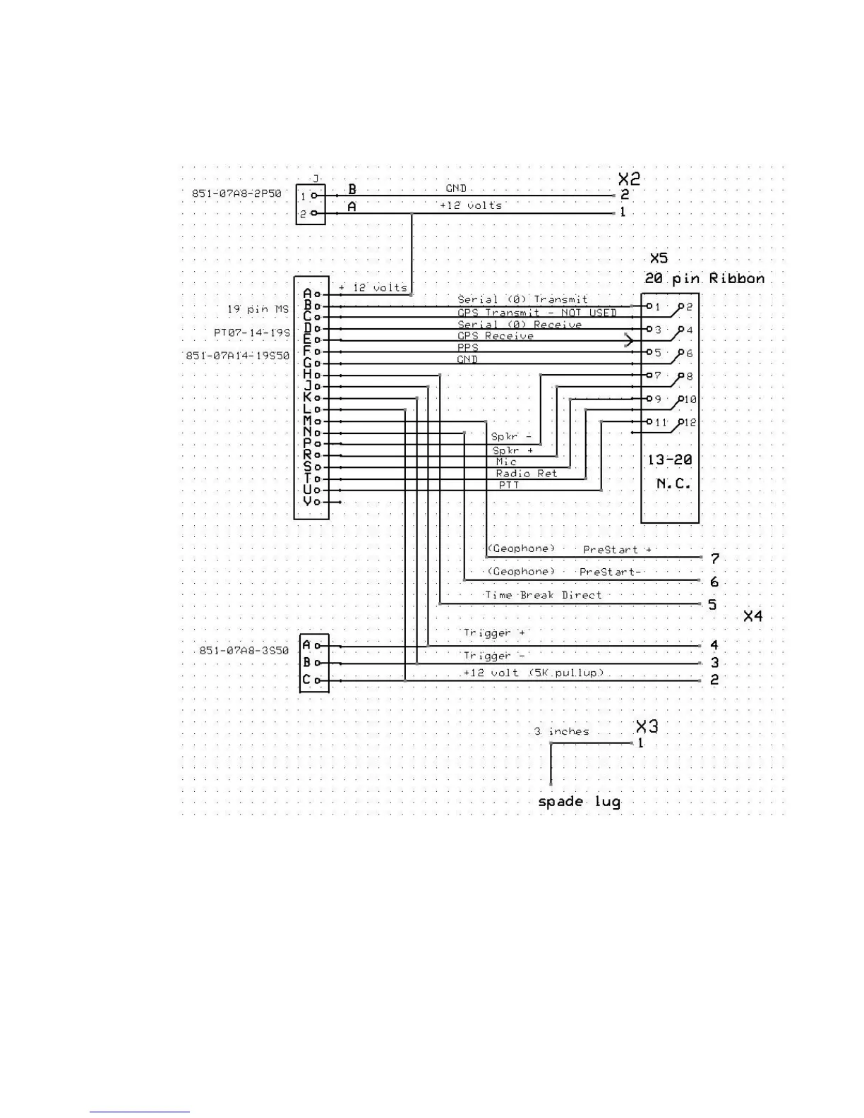
9.3 DAQlink III panel wiring – version 2

Table of Contents