EasyManua.ls Logo

Seismic Source DAQlink III - Trigger Input Circuit

Seismic Source DAQlink III
130 pages
Print Icon
To Next Page IconTo Next Page
To Next Page IconTo Next Page
To Previous Page IconTo Previous Page
To Previous Page IconTo Previous Page
Loading...
129
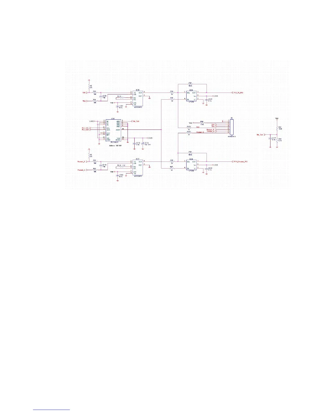
9.4 Trigger Input Circuit:

Table of Contents