EasyManua.ls Logo

Siemens SINAMICS S120 - Page 362

Siemens SINAMICS S120
510 pages
To Next Page IconTo Next Page
To Next Page IconTo Next Page
To Previous Page IconTo Previous Page
To Previous Page IconTo Previous Page
Loading...
Options
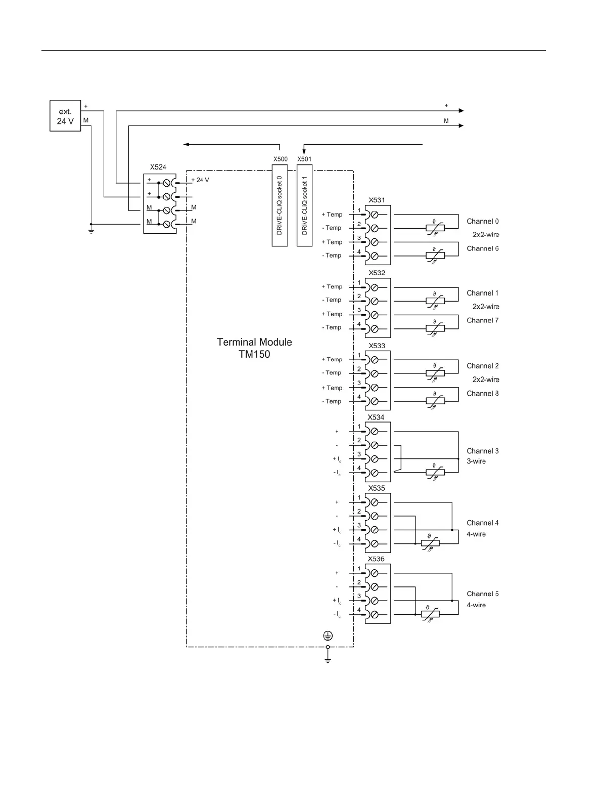
8.5 G51 to G54, TM150 temperature sensor module
Cabinet Modules NEMA
362 Manual, 04/2014, A5E03586450A
Figure 8-9 Connection example for a TM150 Terminal Module

Table of Contents

Other manuals for Siemens SINAMICS S120

Related product manuals