EasyManua.ls Logo

Siemens SINAMICS S120 - Connection Example

Siemens SINAMICS S120
510 pages
To Next Page IconTo Next Page
To Next Page IconTo Next Page
To Previous Page IconTo Previous Page
To Previous Page IconTo Previous Page
Loading...
Options
8.5 G51 to G54, TM150 temperature sensor module
Cabinet Modules NEMA
Manual, 04/2014, A5E03586450A
361
8.5.3
Connection example
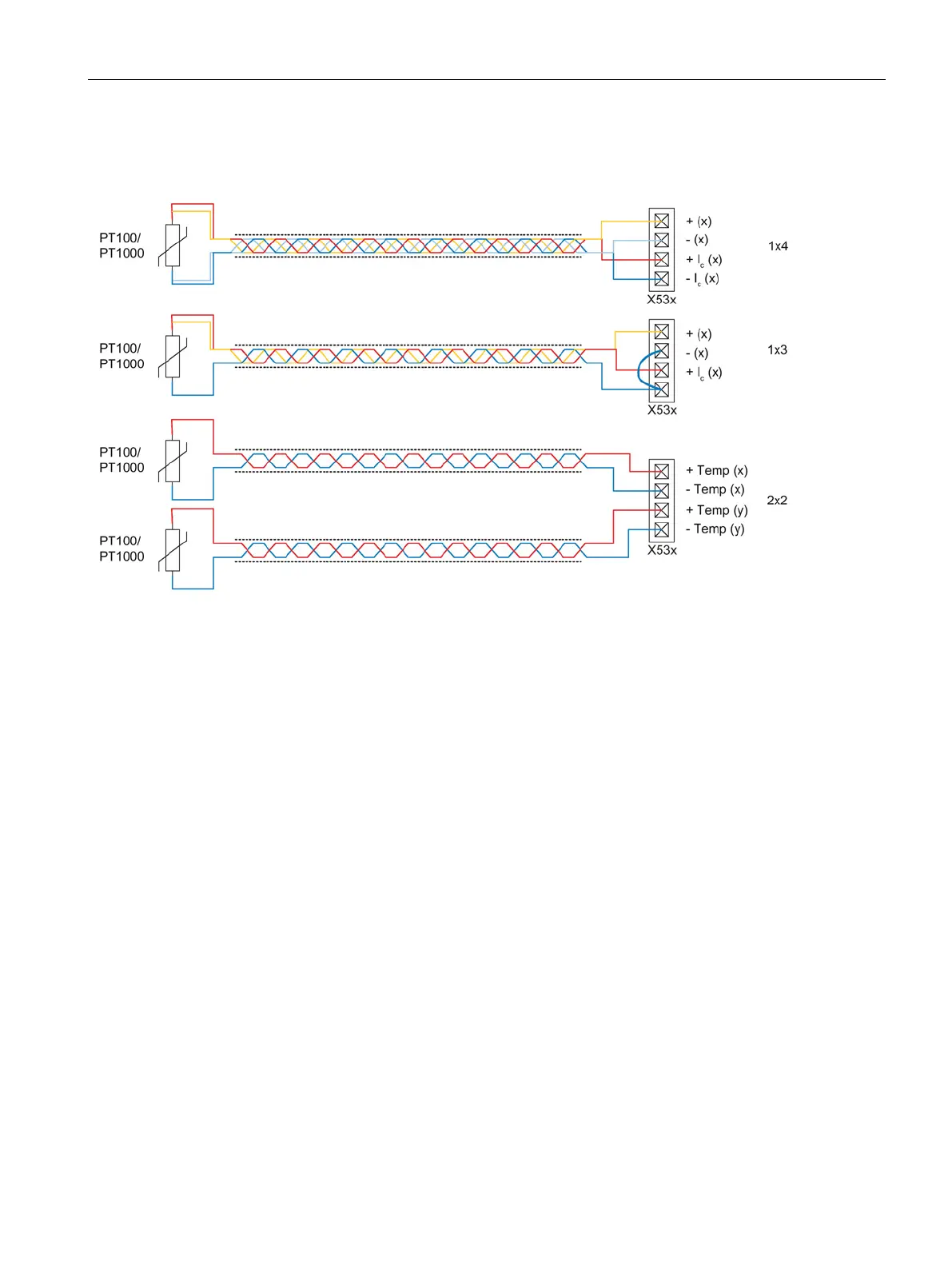
Figure 8-8 Connecting a PT100/PT1000 with 2x2-, 3-, and 4-wires to the temperature sensor inputs X53x of TM150
Terminal Module

Table of Contents

Other manuals for Siemens SINAMICS S120

Related product manuals